Simple Infrared Barrier - - Arduino For Projects
Maybe your like
Summary of Simple Infrared Barrier
The article discusses the design and operation of a simple infrared (IR) barrier, a device using an IR LED emitter and receiver placed meters apart to detect obstacles by interruption of the IR signal. The IR LED chosen emits at 940nm, matching the receiver's sensitivity. The emitter uses a PIC12F675 microcontroller to drive the IR LED via a transistor to achieve a range of 7-8 meters. The technology remains relevant in common applications like TV and air conditioning remotes. The design highlights the IR spectrum bands and practical component choices for ease of implementation.Parts used in the Simple Infrared Barrier:
- Infrared LED (940nm wavelength)
- IR receiver
- Transistor (to drive the IR LED)
- PIC12F675 microcontroller
- Resistors (for current limiting and biasing)
- Power supply (appropriate voltage source)
Although infrared communication might look like the technology of the 1990s, it is still present in a multitude of applications around us. Every time you press the button of a remote control, it is most likely it is using the IR (infrared) technology for transmitting data. The TV remote is the most common example. Air conditioning remote controls are another good one.
1. Introduction
Although a remote control is not so difficult to design and build, there is an even simpler option: the IR barrier. This consists of a constant IR signal permanently going from an emitter to a receiver, both of them being in two different places (a few meters apart). When an obstacle comes in between the emitter and the receiver, the IR signal is blocked and the receiver senses that it is missing, flagging the event in an appropriate manner (figure 1)
The principle of operation is simple enough, and with most components taken off the shelf, it is easy to design the schematic. The IR element in the emitter is a simple IR LED. This behaves absolutely like any other LED, with the sole exception that it emits light in the infrared spectrum. The emitted light is thus invisible to human eye, but it is meant to excite the infrared receiving element on the other side of the barrier. One important element of this LED is the wavelength of the emitted light, of which we already know that is in the infrared spectrum.

2. Features and design
The infrared spectrum itself is pretty wide, starting at about 700nm up to 1mm. It has been subdivided by the International Commission on Illumination in three further bands:
- • IR-A: 700 nm–1400 nm
- • IR-B: 1400 nm–3000 nm
- • IR-C: 3000 nm–1 mm
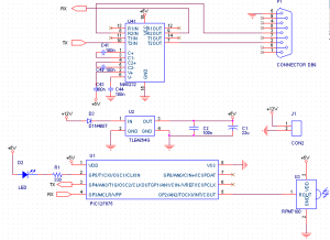
A common wavelength for the LEDs on the market is around 900nm. Any major component distributor (Farnell, Digikey or even Comet – if you live in Eastern Europe) will be able to provide you with infrared LEDs, as they are very common on the market nowadays. 940nm LED is chosen, as it would best match with the sensitivity of the receiver. This IR LED behaves like any other regular LED. So you must bear in mind that the intensity of the light, even if in IR spectrum, will also be dependent on the current intensity flowing through the LED. LED is not directly driven from the pin of a microcontroller, but through a transistor capable of handling a higher current and to obtain a range of about 7-8 meters for my barrier. In the figure 2 is shown the simple schematic of the emitter. It is based around a PIC12F675, but the only reason for that is that this is what I had in the drawer. Any general purpose micro will do.
For More Details: Simple Infrared Barrier
Tag » Arduino Ir Light Barrier
-
Build IR-light Barriers - Sensors - Arduino Forum
-
Light Barrier - Sensors - Arduino Forum
-
IR Light Barrier ~ 2 In - Project Guidance - Arduino Forum
-
IR Trip Wire/barrier - Project Guidance - Arduino Forum
-
Detecting An IR Beam Break With The Arduino IR Library
-
IR Barrier - Infrared Light Sensor - HD-DS30CM
-
Reflective Switch IR Barrier Track Sensor TCRT5000 Module ... - Tiki
-
TCRT 5000 Infrared Light Barrier Reflex Light Barrier For Arduino ...
-
Youmile Speed Measuring Sensor IR Infrared Slot Optocoupler ...
-
AZDelivery KY-010 Light Barrier Light Blocking For Arduino Including ...
-
Light Barrier People Counter System Arduino Infra Red Both Directions
-
How To Build An Optical/light Barrier With An Arduino - Pinterest
-
Details About TCRT 5000 Reflective Infrared Light Barrier Optical ...