Sinewave Inverter Circuit Using Arduino
Maybe your like
Summary of Sinewave Inverter Circuit Using Arduino
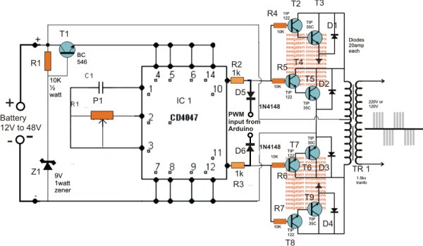
The article explains building a basic sinewave inverter using PWM signals from an Arduino Uno, including a 3-phase sinewave inverter design. The inverter uses transistor or IGBT power stages driven by PWM-modulated signals to produce a sinewave output. It highlights avoiding MOSFETs due to complexity and recommends using IC 4047 for frequency control or directly utilizing Arduino PWM signals. The 3-phase inverter involves an IC 4049 for signal conditioning and IRS2330 bridge driver IC to control six IGBTs, with adjustable current limiting for protection.Parts used in the Sinewave Inverter Circuit Using Arduino:
- Arduino Uno
- Power BJ transistors (or IGBTs for better efficiency)
- IC 4047 (astable multivibrator)
- Potentiometer P1
- Capacitor C1
- Resistors (including voltage dividers R2, R3)
- Reverse biased diodes
- Transformer
- IC 4049 (NOT gates)
- IRS2330 (3-phase bridge driver IC)
- Six IGBTs (for 3-phase output)
- 1K preset resistor (for overcurrent limit adjustment)
- 1 ohm sensing resistor
The article demonstrates the construction of a basic sinewave inverter circuit utilizing PWM signal from an Arduino Uno, also exploring a sinewave 3 phase inverter with Arduino input. Mr. Raju Visswanath was the one who requested the concept.
Technical Specifications
UPDATE:
Please also refer to this article which explains how to build a simple pure sine wave inverter circuit using Arduino using SPWM……Full Program code also included….
The Design
The article details the construction of a basic sinewave inverter circuit using PWM signal from an Arduino Uno, and also explores a sinewave 3 phase inverter with input from the same Arduino. Mr. Raju Visshwanath requested the concept.
This frequency drives the two power BJ transistor stages alternately at the specified frequency rate. The transistors could be replaced with IGBTs for getting better efficiency, but mosfets should be avoided as these may require special attention while designing the PCB, and additional buffer BJT stages to prevent heating up of the mosfets from possible hidden stray inductance or harmonics.
Circuit Operation
P1 and C1 in the diagram determine the astable’s frequency, and adjusting P1 with a frequency meter can change it to match the desired inverter frequency.
If the inverter’s voltage falls under 15V, T1 and its associated components for keeping a steady 9V for the IC 4047 can be taken out. However, it is recommended to test higher voltages of up to 60V in order to create a more effective and smaller inverter design.
The PWM signal from the Arduino is distributed across voltage divider networks on both IC outputs, with reverse biased diodes used to allow only negative PWM pulses to affect power stages and effectively control their conduction.
Because of the PWM chopping effect, the current is adjusted within the transformer to align with the desired PWM sinewave, ultimately boosting the mains voltage at the transformer’s secondary.
The Arduino’s PWM frequency should be around 200 Hz. If a 50 Hz totem pole is set up on the Arduino, the IC4047 can be eliminated and the signals can be directly linked to the left side terminals of R2 and R3.
Circuit for a 3 Phase Inverter using Arduino
The pair of diagrams provided depict the setup of a 3 phase PWM controlled inverter that utilizes an Arduino for operation.
Six NOT gates are used from the IC 4049 in connecting the original diagram. This process divides the Arduino PWM signals into paired high/low logic signals to ensure compatibility with the supplied PWMs for the bridge 3 phase inverter driver IC IRS2330.

The second diagram in the suggested Arduino PWM, 3 phase inverter design consists of the bridge driver stage using the IC IRS2330 chip.
The HIN and LIN inputs of the IC receive Arduino PWM signals, go through NOT gates, and command the output bridge network consisting of 6 IGBTs, which in turn control the connected load via their three outputs.
The 1K preset is employed to modify the over current limit of the inverter by linking it to the shutdown pin of the I, the 1 ohm sensing resistor can be reduced if a higher current is required for the inverter.
Source : Sinewave Inverter Circuit Using Arduino
Tag » Arduino Spwm With Feedback
-
ARDUINO PURE SINE WAVE INVERTER WITH FEEDBACK
-
Sine Wave Inverter | Using Arduino | With Feedback - YouTube
-
Part2. How To Make Sine Wave Inverter Using Arduino With Feedback
-
Arduino Nano SPWM Generator - Yopie DIY
-
Arduino SPWM Inverter With Full Sine Output 220V AC Tutorial
-
Arduino Pure Sine Wave Inverter Circuit With Full Program Code
-
Pure Sine Wave Inverter Using Arduino - Circuit Digest
-
High-Efficiency Pure Sine Wave Inverter
-
I Have Designed A Sine Wave Inverter, But It Has A Feedback Problem
-
Feedback In Sine Wave Inverter (PIC16F Series Based)
-
Arduino Nano SPWM: Feedback Voltage Regulation & Protection
-
Sinewave Inverter Using Arduino : 7 Steps - Instructables
-
[PDF] The 9th International Conference On Sciences, Technology - Index Of