214. Lock Out Relay(86) 란 무엇입니까? - 네이버 블로그
Có thể bạn quan tâm
카테고리 이동 배전 제어반기술
검색 MY메뉴 열기 배전반일반214. Lock out Relay(86) 란 무엇입니까?
2020. 8. 30. 7:00
이웃추가 본문 기타 기능- 본문 폰트 크기 조정 본문 폰트 크기 작게 보기 본문 폰트 크기 크게 보기 가
- 공유하기
- URL복사
- 신고하기
214. Lock out Relay(86) 란 무엇입니까?
Lock out Relay(LOC)는 출력 접점을 래치 하는 전자(電磁) 기계식 릴레이 입니다.
이름에서 알 수 있듯이 이 릴레이는 한번 작동하면 회로를 차단합니다.
로크아웃 이란 이 릴레이가 재설정(Reset) 되기 전까지 회로를 정상화(되돌림) 할 수 없음을 의미합니다.
이 릴레이는 두 가지 코일을 가지고 있습니다.
통전 시 코일이 작동하는 코일과, 릴레이 작동 시 전원을 공급하면 리셋하는 코일이 있습니다.
이 릴레이는 자체 재설정(Rest)이 불가능하며 보호 및 트립 회로를 정상화하기 위해서는
수동으로 재설정(Rest) 하는 것이 필요합니다.
(사진 트립 코일 모니터링 시스템 포함 LOC)
카톡 문의 : jsrhim516
Lock out Relay(LOR)의 출력 접점은 차단기 트립 코일 회로에 배선되어 있습니다.
따라서 릴레이가 통전 될 때마다 차단기로 트립 명령이 내려집니다.
이 릴레이는 마스터 트립 릴레이라고도 하며 ANSI 코드는 86입니다.
플래그와 함께 제공됩니다. 릴레이는 작동 시 플래그가 동작 됩니다.
Lock out Relay의 원리:
계전기 는 시스템의 비정상적인 상태 나 고장을 감지하고 차단기에 트립 명령을 내어 시스템에서
고장 난 부품을 분리하는 보호 장치 라는 것을 알고 있습니다.
시스템의 고장 상태에 대한 결정은 설정에 따라 릴레이가 수행합니다.
시스템 파라미터 가 설정값을 초과하면 릴레이는 이를 비정상 / 고장 상태로 간주합니다.
순시 과전류 계전기의 전류 설정이 공칭 값의 200 % 라고 가정합니다.
릴레이가 회로 전류가 이 설정보다 크다는 것을 감지하면 이를 고장 상태로 간주하고 출력 접점
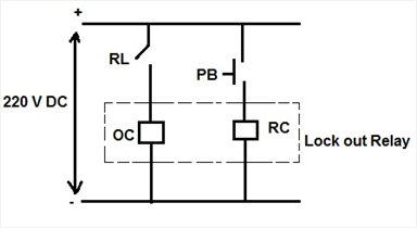
RL을 NO에서 NC로 변경합니다.
따라서 마스터 트립 릴레이의 작동 코일 OC에 220V DC 공급이 확장되어 전원이 공급됩니다.
아래 그림은 마스터 트립 릴레이의 작동 원리를 보여주는 간단한 회로도입니다.
Lock out Relay에 전원이 공급되면 출력 접점이 상태를 변경합니다.
이 릴레이의 NO (Normally Open) 접점이 트립 회로에 사용되는 경우, 이 접점은 NC가 되어 트립 회로에
대한 220V DC 공급이 확장됩니다. 이렇게 하면 회로 차단기를 트립 합니다.
릴레이 재설정을 위해 푸시 버튼 PB가 있습니다.
푸시 버튼 PB를 누르면 220V DC가 리셋 코일 RC로 확장되어 릴레이가 리셋됩니다.
어떤 보호 계전기 라도 잠금 기능을 제공하기 위해 출력 접점 을 래치 하도록 모든 보호 릴레이를
만들 수 있습니다.
그러나 단일 Lock out Relay (86)를 사용하는 것도 가능합니다.
이 방식에서 서로 다른 보호 계전기의 출력 접점은 마스터 트립 계전기의 작동 코일 OC에 병렬로 연결
됩니다. 따라서 보호 계전기 중 하나라도 작동하면 마스터 트립 계전기가 작동되고 플래그가 표시
됩니다. 그런 다음 운영자는 고장을 식별하고 수리한 다음 Lock out Relay를 재설정하여 회로 차단기를
닫아 시스템을 정상화해야 합니다.
주요 특성 :
* 접촉면에 자체 세척 작용이 있는 접촉 시스템으로, 염분 먼지 및 부식제가 높은 비율로 존재하는
매우 공격적인 환경에서도 사용하기에 적합합니다.
* 접점 설계 바운스 방지, 이것은 잠금 릴레이와 같은 고속 퀵 브레이크 설계에 이상적입니다.
* 트립 시간 10ms.
* 5 개의 다른 전압 코일 사용 가능 24 – 48 – 110 – 125 – 220 Vdc
* AC 전압 애플리케이션 용 외부 정류기 도 있습니다.
* 열대 기후에 적합한 아연 도금 강철의 높은 기계적 강도, 샤프트 및
* 주요 구조 접점은 사용자 주문에 따라 두껍게 은(표준) 또는 금 도금할 수도 있습니다.
보충 설명]
두 가지 유형의 Lock out Relay(LOR):
스위칭 시스템의 테스트를 허용하는 수동 재설정 기능이 있는 LOR.
수동 재설정이 없는 LOR. 스위칭 시스템의 테스트는 코일에 전원을 공급하여 수행할 수 있습니다.
일반적으로 LOR에는 2 개 (마스터 트립 릴레이, 트립 회로 감시 릴레이) 또는 3 개 위치 (TNC 스위치)
가 있습니다. 두 위치 "TRIP – RESET"을 포함하는 마스터 트립 릴레이를 보면, 정상적인 상태에서 핸들은
"RESET"위치로 돌아가고 이 위치에서 기계적으로 래치 된 상태를 유지합니다.
LOR 코일과 직렬로 연결된 LOR 접점 LR은 'RESET' 위치에서만 닫힙니다.
고장 시 접점 FC(Fault contactor)는 회로에 고장(오류)가 있을 때만 작동(Making) 합니다.
https://post.naver.com/jsrhim516
배전반 기술에대하여 포스팅하고 있...
post.naver.com
{"title":"214. Lock out Relay(86) 란 무엇입니까?","source":"https://blog.naver.com/jsrhim516/222074430062","blogName":"배전 제어..","domainIdOrBlogId":"jsrhim516","nicknameOrBlogId":"임장성 강사","logNo":222074430062,"smartEditorVersion":4,"meDisplay":true,"lineDisplay":true,"outsideDisplay":true,"cafeDisplay":true,"blogDisplay":true} 닫기카테고리
이 블로그 홈 임장성 강사(jsrhim516) 님을 이웃추가하고 새글을 받아보세요 취소 이웃추가Từ khóa » Khóa Relay
-
Rơ Le Khóa - Lockout Relay – Chỉ Danh F86 - - PULSARVN
-
Đóng Ngắt & Relay
-
MẠCH KHÓA CHÉO RELAY TRUNG GIAN - YouTube
-
39 / MẠCH KHÓA CHÉO RELAY TRUNG GIAN / RELAY KIẾNG
-
Module 6 Relay 12V Khóa Liên Động Kích Mức Cao ... - Phong Vu PC
-
Lock Out Relay By 우진기전 - 코머신 판매자 소개 및 제품 소개
-
433Mhz Không Dây Điều Khiển Từ Xa Tự Khóa Module Relay Cửa ...
-
DRM03/đa Năng 3 Module Relay/trì Hoãn/tự Khóa/chu Kỳ/thời Gian ...
-
Mạch Relay 12V 30A đóng Cắt Thiết Bị điện An Toàn, Rơ-le Công Tắc ...
-
Module 6 Relay 12V Khóa Liên Động Kích Mức Cao ... - Điện Tử DAT
-
JN1 Waterproof Relay Adapter (One-touch Lock) | MISUMI
-
NR Relay Adapter (One-touch Lock) | MISUMI
-
Universal Door Lock Relay Kit Module Triggered By Negative Pulse