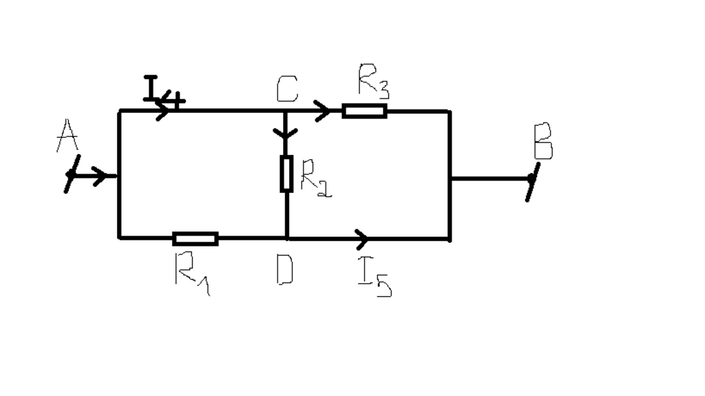
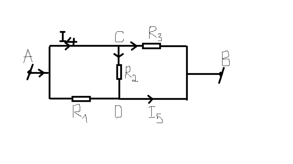
A) Cho R1=R2=R3=1 Dòng Qua Nhánh AC Là I4=1A Tính Các I Còn ...
Có thể bạn quan tâm


Tìm kiếm với hình ảnh
Vui lòng chỉ chọn một câu hỏi
Tìm đáp án
Đăng nhập- |
- Đăng ký


Hoidap247.com Nhanh chóng, chính xác
Hãy đăng nhập hoặc tạo tài khoản miễn phí!
Đăng nhậpĐăng ký

Lưu vào
+
Danh mục mới


- yangmi239

- Chưa có nhóm
- Trả lời
3
- Điểm
112
- Cảm ơn
4
- Vật Lý
- Lớp 9
- 20 điểm
- yangmi239 - 20:56:05 12/02/2020

- Hỏi chi tiết
Báo vi phạm
Hãy luôn nhớ cảm ơn và vote 5* nếu câu trả lời hữu ích nhé!
TRẢ LỜI
yangmi239 rất mong câu trả lời từ bạn. Viết trả lờiTRẢ LỜI


- khoi2k5

- Chưa có nhóm
- Trả lời
12477
- Điểm
228187
- Cảm ơn
11845
- khoi2k5
- 12/02/2020
Đây là một chuyên gia, câu trả lời của người này mang tính chính xác và tin cậy caoĐáp án:
CHÚC BẠN HỌC TỐT!!!!
Giải thích các bước giải:

Hãy giúp mọi người biết câu trả lời này thế nào?
starstarstarstarstarstarstarstarstarstarstarstarstarstarstarstarstarstarstarstarstarstarstarstarstarstarstarstarstarstar5starstarstarstarstar1 voteGửiHủy
Cảm ơn 1
Báo vi phạm


- yangmi239

- Chưa có nhóm
- Trả lời
3
- Điểm
112
- Cảm ơn
4
bạn xem lại thử phần a xem I1=I2=I3=1/3 I5= 2/3 UAB= 1/3 không ạ??
- yangmi239


- khoi2k5

- Chưa có nhóm
- Trả lời
12477
- Điểm
228187
- Cảm ơn
11845
Sai r
- khoi2k5


- khoi2k5

- Chưa có nhóm
- Trả lời
12477
- Điểm
228187
- Cảm ơn
11845
I1=I2=I3=1 A mà
- khoi2k5


- khoi2k5

- Chưa có nhóm
- Trả lời
12477
- Điểm
228187
- Cảm ơn
11845
Còn nếu như bạn ns như trên thì Uab=1/3 đúng r đó
- khoi2k5
Xem thêm:
- >> Tuyển tập 100+ đề bài đọc hiểu Ngữ Văn lớp 9
Bạn muốn hỏi điều gì?
Tham Gia Group Dành Cho Lớp 9 - Ôn Thi Vào Lớp 10 Miễn Phí

Bảng tin
Bạn muốn hỏi điều gì?
Lý do báo cáo vi phạm?
Gửi yêu cầu Hủy

Cơ quan chủ quản: Công ty Cổ phần Công nghệ Giáo dục Thành Phát
Tải ứng dụng


- Hướng dẫn sử dụng
- Điều khoản sử dụng
- Nội quy hoidap247
- Góp ý
Inbox: m.me/hoidap247online
Trụ sở: Tầng 7, Tòa Intracom, số 82 Dịch Vọng Hậu, Cầu Giấy, Hà Nội.
Từ khóa » Tính R2
-
Tính R2 Của 1 Mạch điện Có 2 điện Trở R1 Và R2 Mắc Song Song ...
-
Tính điện Trở R1 Và R2 được Mắc Theo Hai Cách Vào Hai điểm M,N
-
Hệ Số Xác Định R2 - Công Thức Tính Và Ý Nghĩa Của R Square
-
Tính R2 - Giải Bài Tập Vật Lý Lớp 9
-
Các Công Thức Tính điện Trở Cơ Bản Dành Cho Học Sinh Phổ Thông
-
Hệ Số Tương Quan R2 Là Gì
-
Cho Mạch điện Gồm [R3 Nt (R1//R2)] ,U=6 V
-
GA-78LMT-S2 R2 (rev. 1.0) Tính Năng Chính - GIGABYTE Vietnam
-
Cho (R1//R2) Nối Tiếp R3. U=6V, R1=6ôm, R3=4ôm, I2=2/3A. Tính R2?
-
Tính điện Trở R1 Và R2 - Selfomy Hỏi Đáp
-
Công Thức Tính Hệ Số R Bình Phương. - Hỗ Trợ SPSS
-
Máy Chủ Windows Server 2008 R2 Dựa Trên Máy Tính để Bàn Từ Xa Từ ...