Bồn Cầu CAESAR C1352 Trẻ Em Một Khối - Thiết Bị Vệ Sinh
Có thể bạn quan tâm
- Trang chủ
- Thiết Bị vệ Sinh CAESAR
-
THÔNG TIN CHI TIẾT SẢN PHẨM
-
Đánh giá sản phẩm
Bồn Cầu CAESAR C1352 Trẻ Em Một Khối:
- Bồn cầu một khối Caesar C1352 với thiết kế mới đơn giản, gọn gàng và sang trọng phù hợp với nhiều không gian khác nhau của hãng thiết bị vệ sinh Caesar
- Ứng dụng kỹ thuật xả thẳng tiên tiến cuốn trôi mọi vết bẩn
- Loại bàn cầu: Một khối
- Màu sắc: Màu trắng (PW)
- Chế độ xả: 1 nút nhấn
- Lượng nước xả: 4.5L
- Hệ thống xả: Xả hút
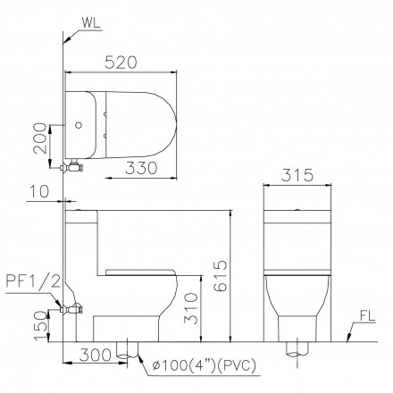
- Kích thước: 515 x 320 x 615 mm
Thông Tin Lắp Đặt Bệ Xí Bệt Caesar C1352:
- Tâm thoát phân: 300mm
- Kiểu thoát phân: Xả xuống sàn
- Áp lực nước: 0.7-5 kgf/cm² (0.07-0.5MPa)
- Nắp bàn cầu êm: M284
Sản phẩm mua kèm:
- Vòi Xịt Toilet Nhựa Caesar BS304A
- Vòi Xịt Toilet Xi Caesar BS304CW
Bản Vẽ Kỹ Thuật Bồn Cầu CAESAR C1352 Trẻ Em Một Khối:

Vui lòng liên hệ chi nhánh gần nhất để cập nhật nhiều mẫu mã mới cũng như có được giá tốt hơn khi quý khách cần lấy số lượng lớn hoặc lấy cho cả công trình nhà xây dựng sẽ được thêm ưu đãi về giá.
Showroom Đại Hoàng Dương Địa chỉ: 464A Quốc lộ 13, KP. Nguyễn Trãi, P. Lái Thiêu, TP. Thuận An, T. Bình Dương Điện thoại: 0888709099 - 0914937877
Showroom Sàn Gạch Địa chỉ: 439 Đại Lộ Bình Dương, P. An Thạnh, TP. Thuận An, T. Bình Dương Điện thoại: 0888709099 - 0914937877
Sản phẩm liên quan
- 6%
Bồn cầu xổm Caesar C1250
1.134.000₫ 1.061.000₫ Mua hàng - 6%
Bồn cầu xổm Caesar C1230
1.037.000₫ 974.000₫ Mua hàng - 8%
Bồn Cầu Xổm Caesar CS1230 (CS1230B) Có Két Nước T1100
1.836.000₫ 1.690.000₫ Mua hàng - 9%
Bồn cầu xổm Caesar C1280
1.458.000₫ 1.320.000₫ Mua hàng - 6%
Bộ Xả Bồn Cầu Xổm Caesar FP807A (CS1230)
350.000₫ 330.000₫ Mua hàng - 14%
Bộ Xả Bồn Cầu Caesar FP825BV (CD1325 CDS1325 CD1338 CDS1338) 2 Khối
700.000₫ 600.000₫ Mua hàng
Nắp Sứ Bồn Cầu Caesar CD1320 2 Khối (T1220)
210.000₫ Mua hàngSản phẩm đã xem
Bạn chưa xem sản phẩm nào
Hệ thống showroom sàn gạch Showroom Đại Hoàng Dương Địa chỉ: 464A Quốc lộ 13, KP. Nguyễn Trãi, P. Lái Thiêu, TP. Thuận An, T. Bình Dương Điện thoại: 0888709099 - 0914937877 Bản đồ chỉ đường Showroom Sàn Gạch Địa chỉ: 439 Đại Lộ Bình Dương, P. An Thạnh, TP. Thuận An, T. Bình Dương Điện thoại: 0888709099 - 0914937877 Bản đồ chỉ đường Showroom Đại Hoàng Dương
sangach.vn
Số 439, Đại Lộ Bình Dương, khu phố Thạnh Bình, Phường An Thạnh, Thành phố Thuận An, Tỉnh Bình Dương, Việt Nam
0888709099
Kết nối với chúng tôi- youtube
- tumblr
Giao hàng trên toàn quốc
Thành tiền:
Tiến hành đặt hàng Tiếp tục mua hàng
abc
| Tình trạng: - + Cho vào giỏ hàng Tổng cộng:
Từ khóa » Xí Bệt Caesar C1352
-
Bồn Cầu Caesar C1352 Trẻ Em - Xí Bệt Bàn Cầu Vệ Sinh 1 Khối
-
Bàn Cầu Trẻ Em Caesar C1352 - Thiết Bị Vệ Sinh Caesar
-
Bồn Cầu Trẻ Em Caesar C1352 - Thiết Bị Vệ Sinh Hoàng Mai
-
Bàn Cầu Trẻ Em Caesar C1352
-
Bàn Cầu CAESAR C1352 Trẻ Em Một Khối - VLXD Đức Việt
-
Bồn Cầu Trẻ Em 1 Khối Caesar C1352 - Thietbivesinhso1
-
Bàn Cầu CAESAR C1352 Trẻ Em Một Khối
-
Bàn Cầu Trẻ Em Caesar C1352 - Kingly Ceramics | Tổng Kho Gạch ốp Lát
-
BỒN CẦU TRẺ EM CAESAR C1352 - Tâm An Ceramic
-
Bồn Cầu 1 Khối Caesar C1352 Trẻ Em Xả Hút Nắp êm
-
Bàn Cầu CAESAR – C1352 Trẻ Em - Thiết Bị Vệ Sinh Inax
-
Bàn Cầu Trẻ Em - Một Khối - C1352 - Caesar
-
Bàn Cầu CAESAR C1352 Trẻ Em Một Khối - Gạch Men