Các Sơ đồ Hệ Thống Thủy Lực Cơ Bản Cần Nắm Rõ
Có thể bạn quan tâm
Các sơ đồ hệ thống thủy lực cơ bản
Sơ đồ hệ thủy lực cơ bản gồm: Bơm;động cơ điện,khớp nối;van an toàn,đồng hồ, khóa đồng:đế van và các van phân phối cùng với các van chức năng khác;thùng dầu và các phụ kiện trên thùng dầu.Hệ thống các thiết bị chấp hành như xi lanh hoăc mô tơ thủy lực.

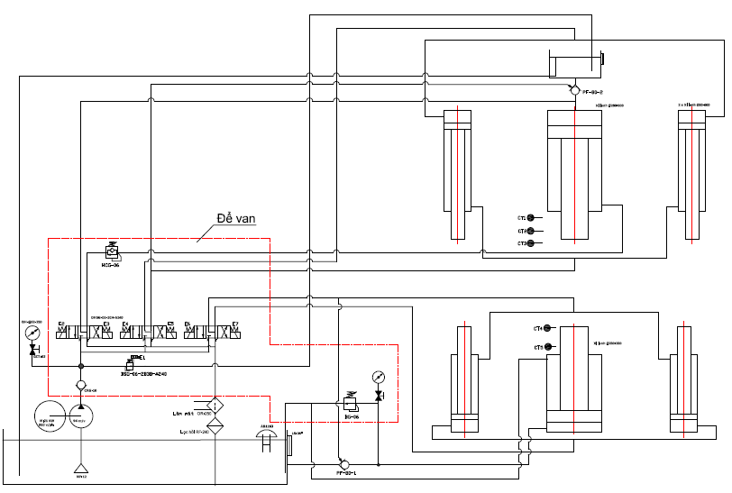
Ví dụ hệ thống thủy lực dùng bơm kép
Bơm lưu lượng lớn Bt với lưu lượng lớ để chay máy khi vận tốc di chuyển mà phụ tải nhỏ lúc này van áp suất thấp chỉ chỉnh với áp suất đủ để chạy được theo vận tốc yêu cầu (có thể chỉ 30 đến 50 bar là đủ).
Còn khi vận tốc nhỏ nhưng càn thắng phụ tải lớn hoặc ép một lực cao ta có thể chỉnh bơm với lưu lượng nhó nhưng áp suất làm việc có thể chỉnh đên 160 đến 250 bar theo yêu cầu mà bài toán đã đặt ra.
Trong mạch hai bơm này chúng ta có đặt van tự động xả tải bơm thấp áp Bt bởi van chỉnh áp suất có điều khiển từ xa (có khoảng cách) điều khiển pilot khi áp suất trong mạch chính vượt áp suất của bơm thấp áp như đã cài đặt.
Xem thêm: Ứng dụng của xy lanh thủy lực trong nâng hạ
Mạch dùng hai bơm kiểu này rất nhiều ứng dụng trong thực tế như cho máy ép ,máy ép nhựa,may công cụ khác.

Sơ đồ chỉnh áp suất cơ bản
Khi khởi động bơm van gạt tay đang ở vị trí giữa bơm được xả tải nhờ van phân phối đang mở cửa thông về bể.Khi muốn chỉnh áp suất cho bơm ta phải gạt tay của van phân phối sang vị trí gây tải và chỉnh van áp suất chỉnh lên giá trị cần là được xem đồng hồ báo áp suất .
Tham khảo: Ứng dụng của hệ thống thủy lực dùng cho ngành nhựa
Chỉnh áp suất kiểu bù trừ theo mạch van dưới đây:Khi ta chỉnh áp suất cho bơm rồi nhưng khi vận hành với một phụ tải khác mà nhu cầu áp suất không cao bằng áp suất bơm,ta dùng thêm van giảm áp và van logic để chỉnh áp suất bù trừ như được chỉ dẫn trên sơ đồ mạch sau:

Sơ đồ chỉnh bơm điều chỉnh được lưu lượng riêng băng sự cân bằng áp suất và lưu lượng

Sau đây là mạch thủy lực của máy ép song động dùng hệ thống bơm kép:

Sau đây là sơ đồ nguyên lý máy song động
Có các xi lanh phụ để chạy lên xuống nhanh và có lắp van tự hút để dầu kịp điền đầy dầu vào khoang trống của xi lanh chính khi chưa có tải. Còn khi có tải bơm nén trực tiếp và khoang trên của xi lanh.

Sơ đồ máy nâng hạ và chuyển hướng tên lửa đất đối biển

Ứng dụng trong lực lượng thủy quân mà Siêu thị thủy lực chế tạo:
Cụm I- nâng hạ 4 chân chông đỡ lôp xe ô tô tải
Cụm II –Di chuyển qua lại dầm đỡ
Cụm III-Nâng hạ tầm của tên lửa.
Nhà cung cấp các hệ thống thủy lực chính hãng giá tốt nhất thị trường
Siêu thị thủy lực với 12 năm kinh nghiệm trong nghề phân phối thiết bị thủy lực. Chúng tôi tự hào là đơn vị hàng đầu cả nước trong lĩnh vực dịch vụ thương mại và cung cấp giải pháp thủy lực luôn cung cấp các sản phẩm chính hãng với giá tốt nhất đến với khách hàng và là nhà phân phối chính hãng của các thương hiệu lớn như PARKER, ASEDA, ETON, YUKEN,...
Hệ thống thủy lực được Siêu thị thủy lực cam kết cung cấp chính hãng 100%, giá cả tốt nhất miền Bắc
Phân phối toàn quốc, vận chuyển miễn phí!
Liên hệ ngay để được tư vấn và lựa chọn sản phẩm phù hợp!
Hotline 0977282045
Email [email protected]
Sđt: 0243-513-2848 bấm phím 102 để gặp bộ phận kinh doanh.
Địa chỉ: Số 91 Đường Đê La Thành, Ô Chợ Dừa, Đống Đa, Hà Nội.
Từ khóa » Bơm Thuỷ Lực ô Tô
-
Bơm Thủy Lực Cầu Nâng ô Tô - Thiết Bị G8
-
Bơm Thủy Lực Dùng Trên Xe ô Tô
-
Bơm Thủy Lực ôtô Chất Lượng, Giá Tốt 2021
-
Bơm Thủy Lực Bơm Oto, Xe Máy | Shopee Việt Nam
-
Ứng Dụng Của Hệ Thống Bơm Thuỷ Lực Trên ô Tô Là Gì? - Autodaily
-
Bơm Thủy Lực Là Gì? Cách Hoạt động Và Tác Dụng Của Bơm Thủy Lực
-
Bơm Thủy Lực Là Gì? Phân Loại Và Cấu Tạo Của Bơm Thủy Lực
-
Motor Bơm Thuỷ Lực Cho Cầu Nâng - Công Ty Cổ Phần Thiết Bị Sun
-
Phân Loại Bơm Thủy Lực
-
Kích Thủy Lực Chính Hãng, Giá Tốt Tháng 8 2022 - IPrice
-
Tổng Quan Các Hệ Thống Bơm Trợ Lực Tay Lái Ô Tô Hiện Nay
-
Nơi Bán Bơm Thủy Lực 12V Chính Hãng
-
Bơm Thủy Lực Tháo Xe ô Tô Siêu Mạnh - động Cơ Không Chổi Than 12V
-
Kích Thủy Lực Bơm Liền (con đội ô Tô) Cấu Tạo Và Nguyên Lý Hoạt động?
-
4 Loại Máy Bơm Dầu Cho Xe ô Tô
-
Nguyên Lý Cơ Bản Của Bơm Thủy Lực Và Phân Loại Máy Bơm