Cách Lắp đặt Lavabo âm Bàn đá Chuẩn đẹp - Thiết Bị Vệ Sinh
Có thể bạn quan tâm
Lavabo âm bàn đá là sản phẩm đang làm mưa làm gió trên thị trường chậu rửa mặt cao cấp ở Việt Nam. Khắp các tỉnh thành, người dân truyền tai nhau về những tiện lợi và tính thẩm mỹ tuyệt vời mà nó mang lại cho không gian phòng tắm. Tuy nhiên, điều khiến không ít khách hàng bối rối khi mua sản phẩm chính là cách lắp đặt Lavabo âm bàn đá có khó hay không, lắp sao cho chuẩn, đẹp. Thấu hiểu được điều này, SANGACH.VN sẽ giúp bạn giải quyết nỗi băn khoăn ngay trong bài viết dưới đây.

Cách lắp đặt Lavabo âm bàn đá
Lavabo âm bàn đá đến từ các thương hiệu ToTo, Viglacera, Inax hay Caesar... đều thật sự không khó, trong thùng sản phẩm có hướng lắp đặt chi tiết. Tuy nhiên, công đoạn đục khoét bàn đá, đòi hỏi sự tỉ mỉ và chính xác của người thợ cắt đá.
Bước 1: Kiểm tra bản vẽ kỹ thuật

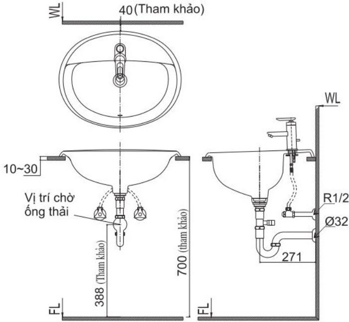
Bản vẽ kỹ thuật Lavabo âm bàn đá
Nhà sản xuất sẽ cung cấp cho người dùng bản vẽ kỹ thuật và hướng dẫn cách lắp đặt Lavabo âm bàn đá đi kèm khi mua sản phẩm. Do đó, việc đầu tiên bạn cần làm là mở tài liệu và kiểm tra các chi tiết, thông số kỹ thuật như chiều cao, chiều rộng, kích thước các ống dẫn, thoát nước… của các bộ phận.
Tất cả đều có hình ảnh minh họa, thông số và ký hiệu chi tiết rõ ràng. Nhờ đó bạn sẽ dễ dàng hình dung được cách lắp đặt cũng như xác định chuẩn xác tiêu chí cần thiết khi tiến hành thực hiện.
Bước 2: Chuẩn bị dụng bị và vật tư
Để lắp đặt Lavabo, bạn cần có sự hỗ trợ của các thiết bị máy móc chuyên dụng bao gồm:
- Máy khoan đá, máy cắt
- Thước dây
- Băng giấy
- Kìm, kéo
- Súng bắn keo nhựa
- Cờ lê chiều chỉnh
- Tua vít đa năng
Bước 3: Đo đạc thông số kỹ thuật khi lắp Lavabo

Đo đạc các thông số và tạo khuôn
Việc lắp đặt Lavabo có chính xác hay không phụ thuộc phần lớn vào bước này. Bạn cần để tờ hướng dẫn kỹ thuật ở nơi thuận cho việc quan sát để có thể kiểm tra các chỉ số bất cứ lúc nào.
Chọn vị trí phù hợp để đặt Lavabo trên bàn đá sao cho có đủ không gian cho việc thi công, lắp ráp các bộ phận kèm theo cũng như thuận tiện cho việc sử dụng sau này. Tiếp đó, đo đạc các thông số bao gồm chiều rộng, chiều dài tương ứng với kích thước được mô tả trong tài liệu hướng dẫn đi kèm. Bạn có thể sử dụng phấn, bút dạ để đánh dấu, vẽ khuôn để đảm bảo độ chính xác.
Sau khi đã hoàn tất công đoạn đo đạc, chúng ta tiến hành cắt đá. Bạn sử dụng máy chuyên dụng và cắt theo khuôn đã đánh dấu trước đó. Quá trình này cần được thực hiện cẩn thận, tỉ mỉ tránh bị lệch ra ngoài, vừa tốn thời gian sửa chữa lại ảnh hưởng đến tính thẩm mỹ sau thi công. Cuối cùng dùng khăn ẩm để lau sạch bụi bẩn trên mặt đá.
Bước 4: Cách lắp đặt Lavabo âm bàn đá
Đặt từ từ Lavabo vào vị trí đã khoan cắt ở bước 3 theo chiều từ trên xuống dưới. Nhẹ nhàng điều chỉnh sao cho Lavabo vừa khít với mặt bàn, không bị gồ ghề hay lỏng lẻo. Bạn nên chú ý nhẹ tay, tránh gây trầy xước bề mặt thiết bị.
Bước 5: Lắp đặt vòi Lavabo
Lavabo được cấu tạo sẵn lỗ để lắp vòi. Bạn chỉ cần lấy vòi đi kèm bộ sản phẩm và xuyên qua lỗ này theo chiều từ trên xuống. Tiếp đó, lắp thêm dây cấp nước vào phần dưới của vòi Lavabo.
Bước 6: Lắp dây cấp nước và ống thải

Lắp đặt các ống cấp và thoát nước
Thiết kế của dây cấp nước gồm 2 đầu trên và dưới. Một đầu dùng để kết nối với Lavabo, đầu còn lại dẫn đến nguồn cung cấp nước bên ngoài.
Tương tự, ông thải nước cũng có cấu tạo 2 đầu. Một đầu bạn dùng để nối vào lỗ xả bên dưới đáy lòng Lavabo âm bàn đá. Đầu kia dùng để nối với vị trí thải nước ra ngoài.
Lưu ý khi lắp đặt Lavabo âm bàn đá

Đo đạc kích thước chính xác theo thông số quy định trong tài liệu hướng dẫn
Cách lắp đặt Lavabo âm bàn đá tuy đơn giản nhưng cũng cần lưu ý những điều sau:
- Xác định chính xác kích thước lắp đặt: Nắm rõ các thông số đặc thù của sản phẩm trên tài liệu đi kèm. Thông thường chiều cao đặt Lavabo từ mặt sàn lên đến chậu đối với người lớn là 0,7 - 0,85m và trẻ em là 0,5 - 0,6 m. Đây là chiều cao lý tưởng được tính theo vóc dáng của người Việt Nam.
- Lắp đặt bệ đá trước khi đặt chậu. Do đó việc cắt đá đúng theo kích là rất quan trọng.
- Đảm bảo chậu phải vừa khít với khuôn đá, không kênh hay lỏng lẻo, dễ rơi vỡ. Nếu có khe hở, bạn dùng keo dính silicon để làm đầy, giữ cho Lavabo được chắc chắn hơn.
- Sử dụng ống dẫn nước, vòi nước đi kèm bộ sản phẩm để đảm bảo độ tương thích với chậu.
Trên thị trường Việt Nam, có rất nhiều đơn vị phân phối chậu lavabo các loại, với nhiều phân khúc giá khác nhau. Quý khách nên mua ở cửa hàng thiết bị vệ sinh uy tín, để mua được sản phẩm chính hãng, bảo hành dài lâu, giá cả cực tốt.
Showroom Đại Hoàng Dương phân phối chính hãng các thương hiệu nổi tiếng như Inax, Toto, American, Caesar, Viglacera. Không chỉ vậy, bạn sẽ được hỗ trợ về cách lắp đặt chậu rửa âm bàn bởi đội ngũ kỹ thuật viên chuyên nghiệp của chúng tôi hoàn toàn miễn phí.
>>>>>Xem thêm Cách lắp nắp bồn cầu TOTO, INAX ai cũng làm được
>>>>>Xem thêm Lavabo âm bàn Inax
Thông tin liên hệ
Showroom Lavabo âm bàn Đại Hoàng Dương
Địa chỉ: 464A Quốc lộ 13, KP. Nguyễn Trãi, P. Lái Thiêu, TP. Thuận An, T. Bình Dương
Hotline: 0888709099
Website: https://sangach.vn
Bản đồ: https://g.page/DaiHoangDuong?share
Từ khóa » Bàn đá Lavabo âm
-
20+ Mẫu Bàn đá Lavabo - Chậu Rửa Mặt Bàn đá Không Bao Giờ Lỗi Mốt
-
Lavabo âm Bàn đá - Chậu Rửa Mặt âm Bàn Dương Vành đẹp Cao Cấp
-
Lavabo âm Mặt đá. - Đá ốp Lát Hà Thành
-
Bàn đá Lavabo Giá Rẻ, Mặt Bàn đá Tự Nhiên Granite Marble
-
KÍCH THƯỚC BÀN ĐÁ LAVABO TIÊU CHUẨN NHẤT HIỆN NAY
-
Lavabo âm Mặt đá Chất Lượng, Giá Tốt 2021
-
Chậu Rửa Mặt Lavabo âm Bàn - Thiết Bị Vệ Sinh Ngân Phát
-
Tổng Hợp Bàn Đá Lavabo Giá Rẻ, Bán Chạy Tháng 7/2022 - BeeCost
-
Tổng Hợp 30 Mẫu Bàn đá Lavabo đẹp, Cao Cấp, Giá Rẻ - Khôi Nguyên
-
Nên Lắp Bàn đá Lavabo âm Hay Dương Bàn Cho Nhà Tắm? - Bảo Kim
-
Chậu Rửa Mặt Lavabo âm Bàn đá đẹp Bảng Giá Tốt Chính Hãng - TOTO
-
Kích Thước Lavabo âm Bàn Như Thế Nào Là Chuẩn?
-
Bàn Đá Lavabo Giá Siêu Tốt - Tháng 7, 2022 | Tiki