Công Thức Tính Lực Kéo - Ôn Tập Môn Vật Lý 8
Có thể bạn quan tâm
Nâng cấp gói Pro để trải nghiệm website VnDoc.com KHÔNG quảng cáo, và tải file cực nhanh không chờ đợi.
Tìm hiểu thêm » Mua ngay Từ 79.000đ Hỗ trợ ZaloChúng tôi xin giới thiệu bài Công thức tính lực kéo được VnDoc sưu tầm và tổng hợp lí thuyết trong chương trình giảng dạy môn Vật lý lớp 8. Hi vọng rằng đây sẽ là những tài liệu hữu ích trong công tác giảng dạy và học tập của quý thầy cô và các bạn học sinh.
Lưu ý: Nếu bạn muốn Tải bài viết này về máy tính hoặc điện thoại, vui lòng kéo xuống cuối bài viết.
Câu hỏi: Công thức tính lực kéo lớp 8
Trả lời:
Công thức tính lực kéo khi dùng ròng rọc là:
+ Đối với ròng rọc cố định thì lực kéo đúng bằng trọng lượng của vật: F=P
+ Đối với ròng rọc động thì lực kéo bằng 12 trọng lượng của vật: F = P2
Công thức tính lực kéo trên mặt phẳng nghiêng là: F.s = P.h ⇒ F = P.hs
Bài 1. Một người có trọng lượng P = 600N đứng trên tấm ván được treo vào 2 ròng rọc như hình vẽ. Để hệ thống được cân bằng thì người phải kéo dây, lúc đó lực tác dụng vào trục ròng rọc cố định là F = 720 N. Tính
a) Lực do người nén lên tấm ván
b) Trọng lượng của tấm ván
Bỏ qua ma sát và khối lượng của các ròng rọc. Có thể xem hệ thống trên là một vật duy nhất.
Lời giải:

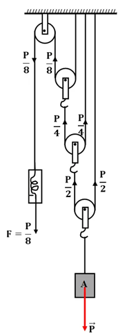
Bài 2. Vật A ở hình 14.2 có khối lượng 2kg. Hỏi lực kế chỉ bao nhiêu? Muốn vật A đi lên được 2cm, ta phải kéo lực kế đi xuống bao nhiêu cm?

Lời giải:

Gọi trọng lượng của vật là P. Lực căng của sợi dây thứ nhất là P/2, lực căng của sợi dây thứ hai là P/4, lực căng của sợi dây thứ ba là P/8. Vậy lực kéo do lò xo bằng F = P/8.
Vật có khối lượng m = 2kg nghĩa là trọng lượng P = 20N. Do đó lực kế chỉ F = 20/8N = 2,5N.
Như vậy, ta được lợi 8 lần về thể lực do đó phải thiệt hại 8 lần về đường đi, nghĩa là muốn kéo vật đi lên 2cm thì tay phải kéo dây đi một đoạn 16cm.
----------------------------------------
Như vậy chúng tôi đã giới thiệu các bạn tài liệu Công thức tính lực kéo. Mời các bạn tham khảo thêm tài liệu: Lý thuyết môn Vật lí lớp 8, Giải bài tập môn Vật lý lớp 8, Giải vở bài tập Vật Lý 8, Tài liệu học tập lớp 8, ngoài ra các bạn học sinh có thể tham khảo thêm đề học kì 1 lớp 8 và đề thi học kì 2 lớp 8 mới nhất được cập nhật.
Từ khóa » Tính Lực Kéo Ròng Rọc
-
[CHUẨN NHẤT] Công Thức Tính Lực Kéo Lớp 8 - Toploigiai
-
Tìm Công Thức Tính Lực Kéo Khi Dùng Ròng Rọc Và Mặt Phẳng Nghiêng
-
Một Vật Có Khối Lượng A Kg. Tính Lực Kéo Của Một Ròng Rọc ... - Hoc24
-
Cách Giải Bài Tập Về Ròng Rọc Cực Hay
-
CÔNG THỨC TÍNH LỰC KÉO LỚP 8
-
Công Thức Tính Lực Kéo Và Quãng đường Dịch Chuyển Của ... - Selfomy
-
Bỏ Qua Ma Sát . Tính Lực Kéo Và độ Cao Mà Vật đã được đưa Lên ...
-
Bài 14: Định Luật Về Công | Vật Lý
-
Công Thức Tính Công Và định Luật Về Công [Vật Lý 8] Flashcards | Quizlet
-
Bài Tập Về Ròng Rọc
-
Top 9 Công Thức Ròng Rọc - Interconex
-
Top 10 Công Thức Tính Lực Kéo Lớp 8 - Ôn Thi HSG
-
Bỏ Qua Ma Sát Và Khối Lượng Các Ròng Rọc. Tính Lực Kéo Dây, Quãng ...