
Hotline: 0968 475 988 CÔNG TY TNHH VẬT TƯ ĐIỆN ÁNH DƯƠNG
CÔNG TY TNHH VẬT TƯ ĐIỆN ÁNH DƯƠNG
CÔNG TY TNHH VẬT TƯ ĐIỆN ÁNH DƯƠNG
CÔNG TY TNHH VẬT TƯ ĐIỆN ÁNH DƯƠNG
CÔNG TY TNHH VẬT TƯ ĐIỆN ÁNH DƯƠNG
CÔNG TY TNHH VẬT TƯ ĐIỆN ÁNH DƯƠNG
- Trang chủ
- GIỚI THIỆU
- Sản phẩm
- THIẾT BỊ ĐIỆN
- DÂY CÁP ĐIỆN
- VẬT TƯ NGÀNH NƯỚC
- VÒNG BI BẠC ĐẠN
- VÒNG BI GỐI ĐỠ ASAHI
- THIẾT BỊ KHÍ NÉN
- QUẠT CÔNG NGHIỆP
- DỤNG CỤ CẦM TAY
- SIN PHỐT
- BÓNG ĐÈN LED
- DÂY CUROA
- TỦ ĐIỆN - MÁNG CÁP
- ĐỒNG HỒ ĐIỆN CÁC LOẠI
- QUẠT CÔNG NGHIỆP
- Liên hệ
- Tin tức
- QUẠT CÔNG NGHIỆP VIETWIND
- THIẾT KẾ LẮP ĐẶT ĐIỆN NHÀ XƯỞNG
Danh mục sản phẩm
- THIẾT BỊ ĐIỆN
- DÂY CÁP ĐIỆN
- VẬT TƯ NGÀNH NƯỚC
- VÒNG BI BẠC ĐẠN
- VÒNG BI GỐI ĐỠ ASAHI
- THIẾT BỊ KHÍ NÉN
- QUẠT CÔNG NGHIỆP
- DỤNG CỤ CẦM TAY
- BÓNG ĐÈN LED
- DÂY CUROA
- TỦ ĐIỆN - MÁNG CÁP
- ĐỒNG HỒ ĐIỆN CÁC LOẠI
Hỗ trợ trực tuyến

CSKH
0972 452 977 
CSKH
0968 475 988
[email protected] CÔNG TƠ ĐIỆN 3PHA EMIC
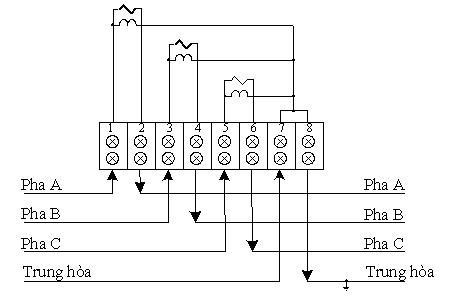
Ở bài viết sau chúng tôi sẽ hướng dẫn các bạn cách lắp đồng hồ điện ba pha trực tiếp và gián tiếp: 1. Cách Lắp Đồng hồ Điện 3 Pha Trực Tiếp Về cách lắp công tợ điện 3 pha trực tiếp khá đơn giản. Trên đồng hồ điện có 8 điểm được chia thành 4 nhóm Nhóm A (1 vào ,2 ra ) Nhóm B (3 vào ,4 ra ) Nhóm C (5 vào ,6 ra ) Nhóm D (7vào ,8 ra) Điều mà mình nghĩ khá nhiều người cũng thắc mắc là khi nào mình biết để chọn loại đồng hồ đo trực tiếp hay gián tiếp. Vì vậy mình xin giải đáp như sau: Đồng hồ trực tiếp họ sản xuất cho dòng maximum là 100A. Nếu bạn không phải là dân điện thì cứ nhìn theo cái Aptomat (CB tổng) nếu trên 100A thì xài gián tiếp còn dưới 100A thì xài trực tiếp. Sơ Đồ Lắp Công Tơ Điện 3 Pha Trực Tiếp 2.Cách Lắp Công Tơ Điện 3 Pha gián tiếp Sơ đồ đấu dây đồng hồ điện 3 pha gián tiếp sử dụng 3 biến dòng đo lường đông hồ điện 3 pha gián tiếp thường có 11 đầu ra dây, và được ký hiệu từ 1 đến 11 theo thứ tự từ trái sang phải như hình vẽ dưới đây: Trên sơ đồ này ta chia 11 chân làm 4 nhóm tín hiệu như sau: - Nhóm pha A : bao gồm tín hiệu điện áp pha A (đầu số 2) và tín hiệu dòng pha A (đầu số 1 và đầu số 3)
- Nhóm pha B : bao gồm tín hiệu điện áp pha B (đầu số 5) và tín hiệu dòng pha A (đầu số 4 và đầu số 6)
- Nhóm pha C : bao gồm tín hiệu điện áp pha C (đầu số 8) và tín hiệu dòng pha A (đầu số 7 và đầu số 9)
- Nhóm Trung tính (N) : bao gồm tín hiệu điện áp trung tính (đầu số 10 và 11 đã được nối với nhau)
- Sơ đồ nối dây đồng hồ như sau :
Khi tiến hành nối dây ta cần lưu ý những đều sau đây: - Ngõ ra thứ cấp biến dòng đo lường pha A thì nối vào tín hiệu dòng pha A, có ký hiệu đầu (k) và cuối (l), không được lẫn lộn.
- Khi luồn dây qua lỗ biến dòng cần phải đúng chiều K qua L, không được lẫn lộn.
- Tín hiệu áp của pha nào phải nối đúng vào pha đó
- Tín hiệu nối phải đảm bảo bền vững
- Nếu có sai sót trong 4 lưu ý kể trên sẽ dẫn đến sai số của phép đo rất lớn
- tham khảo vattucongnghiepbinhduong.com
| | |
Chia sẻ Tweet
Bài viết liên quan
- ỐNG NHỰA BÌNH MINH Ở TX BẾN CÁT
- Vật Tư Công Nghiệp - Bến Cát, Bình Dương
- Dây curoa - Bến Cát, Bình Dương
- DÂY ĐIỆN DAPHACO CHẤT LƯỢNG CAO
- bạc đạn NTN o bình dương
- ĐẠI LÝ PHÂN PHỐI ỐNG KHÍ NÉN Ở BÌNH DƯƠNG
- VẬT TƯ CÔNG NGHIỆP Ở BÌNH DƯƠNG
- BẠC ĐẠN SKF 6208
- VÒNG BI BẠC ĐẠN Ở BÌNH PHƯỚC
- CUNG CẤP KHÍ NÉN AIRTAC
- Cách mạng Công nghiệp 4.0: những xu hướng và tác động đến xuất khẩu của Việt Nam
- BẠC ĐẠN SKF Ở BÌNH DƯƠNG
Tin tức chuyên ngành
07 11/2025 QUẠT CÔNG NGHIỆP VIETWIND Quạt công nghiệp VIETWIND được thiết kế với cánh quạt lớn từ 500mm – 750mm, tạo lưu lượng gió mạnh, giúp làm mát nhanh...
19 10/2023 ỐNG NHỰA BÌNH MINH Ở TX BẾN CÁT Ống nhựa uPVC Bình Minh là sản phẩm nhận được sự tin dùng của rất nhiều người. Vậy thực sự thì ống nhựa uPVC Bình...
07 10/2023 BẠC ĐẠN Ở LONG AN Có lẽ anh em đã thấy nhiều vòng bi bạc đạn. Nó không chỉ được sử dụng trong công nghiệp mà đến nông nghiệp và một...
07 10/2023 VÒNG BI BẠC ĐẠN Ở BÌNH PHƯỚC Vòng bi bạc đạn là ổ lăn. Và là chi tiết truyền động cơ khí rất quan trọng. Được gọi là bạc đạn bởi dùng để...
19 07/2023 Vật tư công nghiệp tại Bình Dương "Vật tư" là những vật liệu, tư liệu được dùng trong sản xuất. Hay dễ hiểu hơn, vật tư chính là các thiết bị máy móc,...
27 06/2023 THIẾT BỊ ĐIỆN Ở BẾN CÁT THIẾT BỊ ĐIỆN Ở BẾN CÁT Điện công nghiệp hiện đang là một trong những ngành đóng vai trò vô cùng thiết yếu trong đời...
26 06/2023 CÔNG TƠ ĐIỆN TỬ 3 PHA 1 GIÁ ME-40m CÔNG TƠ ĐIỆN TỬ 3 PHA 1 GIÁ ME-40m Công tơ điện tử 3 pha 1 giá trực tiếp Gelex EMIC ME-40m Công tơ điện tử 3 pha 4 dây EMIC...
26 06/2023 CÔNG TƠ ĐIỆN TỬ 3 PHA GIÁN TIẾP ME-41MG CÔNG TƠ ĐIỆN TỬ 3 PHA GIÁN TIẾP ME-41MG Công tơ điện tử 3 pha 3 giá gián tiếp Gelex EMIC ME-41mG. Công tơ điện tử 3 pha loại...
26 06/2023 CÔNG TƠ ĐIỆN TỬ 3 PHA TRỰC TIẾP ME-40mG CÔNG TƠ ĐIỆN TỬ 3 PHA TRỰC TIẾP ME-40mGgười đánh giá đầu tiên) Công tơ điện tử 3 pha Gelex EMIC ME-40mG Công tơ điện...
11 11/2022 Đèn Led Rạng Đông - Bến Cát , Bình Dương Đèn LED Rạng Đông được sản xuất bởi công ty cổ phần bóng đèn phích nước Rạng Đông. Đây là một công ty chuyên cung...
22 10/2022 Dây curoa - Bến Cát, Bình Dương Đối với dây curoa còn nguyên tem mác thì việc mua dây mới để thay thế hoặc dự phòng là quá đơn giản, bạn chỉ cần gọi...
12 10/2022 Bạc đạn ASAHI - Bến Cát, Bình Dương Gối Đỡ Asahi Seiko bằt đầu đi vào hoạt động sản xuất vào tháng 5 năm 1928 với sản phẩm là vòng bi với nhiều chủng...
12 10/2022 Bạc đạn NACHI - Bến cát, Bình Dương Như chúng ta đã biết, trong các ngành kỹ thuật và sữa chữa máy móc, vòng bi là một bộ phận vô cùng quan trọng. Chúng có...
10 10/2022 Bạc đạn NSK - Bến Cát, Bình Dương Với những người làm việc trong ngành máy móc, công nghiệp nặng thì không thể không biết tới vòng bi NSK. Để tìm hiểu...
10 10/2022 bạc đạn NTN o bình dương NTN là một trong những nhà sản xuất vòng bi lớn nhất thế giới. Với các nhà máy sản xuất phân bổ trên toàn thế giới,...
28 09/2022 VẬT TƯ CÔNG NGHIỆP O BÌNH DƯƠNG Ngành công nghiệp là một trong những ngành đóng vai trò quan trọng trong cuộc sống hiện nay. Các nhà máy, xí nghiệp, cơ quan...
17 09/2022 Công Tơ Điện 1 Pha EMIC ở bến cát, Bình Dương CÔNG TƠ ĐIỆN 1 PHA 2 DÂY EMIC đối với nhiều người khi được hỏi công tơ điện 1 pha 2 dây là gì? Hẳn đây là một khái...
29 07/2022 Thiết bị khí nén ở bến cát bình dương So sánh sự khác nhau giữa thủy lực và khí nén Bạn quan tâm đến thủy lực và khí nén? Bạn đang phân vân không biết nên...
29 07/2022 THIẾT BỊ ĐIỆN Ở BẾN CÁT THIẾT BỊ ĐIỆN CÔNG NGHIỆP Ở BẾN CÁT, BÌNH DƯƠNG Thiết bị điện công nghiệp là một phần không thể thiếu trong ngành...
13 07/2022 CUNG CẤP KHÍ NÉN AIRTAC AIRTAC là một hãng sản xuất thiết bị khí nén nổi tiếng ở Đài Loan. Thành lập từ năm 1988, tên đầy đủ là Airtac International...
13 07/2022 ĐÔNG HỒ ĐIỆN 3P 4 DÂY EMIC Công tơ điện Emic 3 pha 4 dây hữu công MV3E4 trực tiếp, 220/380V In Công tơ điện Emic 3 pha 4 dây hữu công MV3E4 3x10/40A gián...
15 09/2021 CUNG CÂP THIẾT BỊ ĐIỆN LS Quý khách đang cần tìm địa chỉ phân phối thiết bị điện LS chính hãng để lắp đặt cho công trình, nhà máy ,Hãy đến...
13 09/2021 ĐẠI LÝ PHÂN PHỐI ỐNG KHÍ NÉN Ở BÌNH DƯƠNG ông ty chúng tôi là Đại lý phân phối ỐNG HƠI KHÍ NÉN. Hãy liên hệ với chúng tôi để biết thông tin chi tiết về CÁC LOẠI...
27 11/2019 Tủ Điện Công Nghiệp - Bình Dương Tùy theo yêu cầu kỹ thuật mà Tủ Điện Công Nghiệp cần thiết kế, lắp ráp có nhiều cách làm khác nhau, tuy nhiên, nhìn chung...
22 11/2019 QUẠT CÔNG NGHIỆP THÀNH HƯNG chuyên cung cấp quạt công nghiệp giá rẻ , cung cấp các loại quạt công nghiệp, dịch vụ bảo hàng tốt nhất hện...
07 08/2019 BẠC ĐẠN SKF 6208 BẠC ĐẠN SKF 6208
16 07/2019 BẠC ĐẠN SKF Ở BÌNH DƯƠNG Bạc đạn SKF với những ưu điểm về độ bền cao, tính chính xác tuyệt vời khi vận hành, chi phí bảo trì tối ưu, và đa...
08 07/2019 BẠC ĐẠN KOYO O BÌNH DƯƠNG Bạc đạn KOYO Vòng bi KOYO chính hãng Nhật Bản được sản xuất bởi KOYO – một thương hiệu lâu đời và nổi tiếng...
02 01/2019 Thi Công Điện Nhà Xưởng - Bình Dương THIẾT KẾ THI CÔNG ĐIỆN NHÀ XƯỞNG, ĐIỆN CÔNG NGHIỆP TẠI BÌNH DƯƠNG, ĐỒNG NAI CHUYÊN CUNG CẤP NHỮNG GIẢI PHÁP TỐT NHẤT...
27 06/2018 Quạt Công Nghiệp - Bình Dương Như quý khách đã biết trong nhà xưởng môi trường làm việc rất nhiều bụi bẩn, tạp chất làm ảnh hưởng không ít tới...
10 11/2017 VÒNG BI BẠC ĐẠN SKF Vì sao bạc đạn, vòng bi bị quá nhiệt? Bạc đạn là chi tiết máy có độ chính xác cao, có rất nhiều nguyên nhân dẫn...
09 11/2017 CÔNG TƠ ĐIỆN 3PHA EMIC Điều mà mình nghĩ khá nhiều người cũng thắc mắc là khi nào mình biết để chọn loại đồng hồ đo trực tiếp hay gián...
26 10/2017 ĐÔI NÉT VỀ BẠC ĐẠN KOYO Tập đoàn KOYO sản xuất hàng chục ngàn loài có độ chính xác cao, các sản phẩm chất lượng cao mang KOYO, cung cấp các khoa...
14 09/2017 DÂY ĐIỆN DAPHACO CHẤT LƯỢNG CAO Ngày 5/2/2017 Daphaco nhận danh hiệu hàng Việt Nam chất lượng cao năm 2017 do người tiêu dùng bình chọn CỬA HÀNG THÀNH HƯNG...
14 09/2017 DÒNG THIẾT BỊ ĐIỆN LS CÓ NHỮNG LOẠI NÀO ? Các sản phẩm của tập đoàn các thiết bị công nghiệp điện LS được xem là khá đa dạng và gần như có thể đáp ứng...
28 02/2017 Cách mạng Công nghiệp 4.0: những xu hướng và tác động đến xuất khẩu của Việt Nam Ngày 18/08/2017 tại Hà Nội, Cục Xuất nhập khẩu, Báo Công Thương - Bộ Công Thương phối hợp với diễn đàn Kinh tế tư nhân...
28 02/2017 Nhu cầu sử dụng dây cáp điện và quy trình sản xuất Dây cáp điện là một sản phẩm có tính ứng dụng cao, được dùng trong rất nhiều các công trình kinh tế và phục vụ lớn...
28 02/2017 Giới thiệu quy trình chung sản xuất dây và cáp điện Vật tư công nghiệp Thành Hưng xin giới thiệu với các bạn về qui trình sản xuất dây và cáp điện. Các bạn hãy cùng tìm...
26 05/2017 Những công dụng hữu ích của dây cáp nhôm vặn xoắn Cáp nhôm vặn xoắn đã được mọi người biết đến là một loại dây cáp điện đang được sử dụng rộng rãi trong ngành...