Mạch Công Suất Class H Là Gì? Có Nên Mua Bộ đẩy ... - Wharfedale Pro
Có thể bạn quan tâm
Ngoài những mạch công suất thường gặp như class A, class B hay class D thì mạch âm thanh Class H cũng là một trong những bộ mạch được sử dụng trong rất nhiều thiết bị âm thanh như cục đẩy công suất hay amply. Mạch công suất class H là gì? Ưu điểm, nhược điểm của mạch công suất class H? Có nên mua bộ đẩy công suất Class H cho dàn âm thanh Karaoke hay âm thanh hội trường không? Hãy để Wharfedale Pro Việt Nam cung cấp đến bạn các thông tin hữu ích xoay quanh mạch công suất Class H nhé!
Mạch class H là gì?
Mạch công suất class H là gì? Mạch class H hay còn gọi là mạch khuếch đại class H là loại mạch class bổ sung cho các loại mạch class chính khác. Điểm đặc biệt của mạch công suất class H là chúng có khả năng điều chỉnh điện áp để giảm thiểu sự sụt điện trên cổng đầu ra. Ngoài ra chúng có thể sử dụng nguồn điện rời rạc để cung cấp nguồn điện áp vô hạn cho thiết bị như ampli, cục đẩy.

Mạch công suất class H có 2 tầng linh kiện công suất đó là tầng trong và tầng ngoài cùng với 2 hoặc nhiều hơn 2 bộ nguồn. Bộ mạch công suất class H khá tương đồng với mạch khuếch đại AB nhưng nó được cải tiến để chuyên sử dụng cho các nguồn điện áp thấp trong thời gian tín hiệu đầu ra thấp, chúng có khả năng lấy điện áp cao nhưng chỉ khi thực sự cần thiết. Nhờ vậy mà mạch âm thanh class H có khả năng giảm tối đa tổn thất điện năng trong giai đoạn đầu nhờ vào giảm sự sụt áp không cần thiết trong các bóng bán dẫn đầu ra.
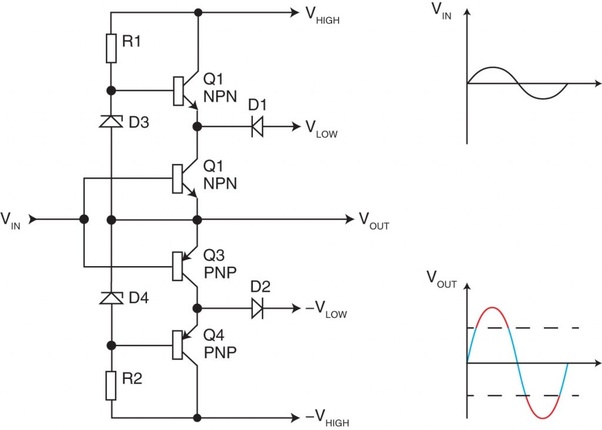
Sơ đồ bộ mạch công suất class H
Bạn có thể quan sát sơ đồ mạch công suất class H cơ bản dưới đây để hiểu hơn về bộ mạch âm thanh class H này.

Sơ đồ bộ mạch công suất class H
Nguyên lý hoạt động của mạch công suất class H là gì?
Sau khi đã tìm hiểu xong khái niệm mạch công suất class H là gì cũng như sơ đồ của bộ mạch class H chúng ta cùng tìm hiểu xem nguyên lý hoạt động của bộ mạch công suất này như thế nào.

Hình 1: Nguyên lý hoạt động của mạch khuếch đại class H là gì?
- - Khi cấp nguồn điện cho mạch class H mà điện áp đầu ra thấp, công tắc trong bộ mạch sẽ ở vị trí như hình 1. Khi tín hiệu đạt đến cực đại, công tắc năng mặt dưới của elco lên nguồn điện sao cho bóng bán dẫn đầu ra phía trên nhìn thấy điện áp khoảng 2V.
- - Thời gian tín hiệu cao không được quá lâu mà chỉ cho phép trong một khoảng nhất định. Một elco lớn được yêu cầu cho công suất cao ở tần số thấp.
- - Trong mạch công suất class H, khi tín hiệu đầu vào thấp thì mạch class H sẽ khuếch đại cho tín hiệu có biên độ lớn hơn chứ không làm méo biên độ. Vì vậy mà khi cấp tín hiệu âm thanh vào thì vẫn đảm bảo được tín hiệu âm thanh đầu ra được khuếch đại lên mà không méo tiếng.
- - Mạch class H sẽ có 5 đường dây nguồn. Tuỳ theo đường tín hiệu đầu vào mà mạch khuếch đại class H sẽ xử lý cho phù hợp để cho ra tín hiệu ra loa.
Hiệu suất của mạch class H là bao nhiêu?
Mạch công suất class H là mạch khuếch đại ở chế độ xung linh kiện chỉ đóng hoặc ngắt. Khi đó công suất đạt tiêu tán trên linh kiện đóng ngắt gần như bằng 0 nên hiệu suất đạt tiệm cận 100% cao hơn rất nhiều so với nhiều mạch khuếch đại khác. Khi đó tín hiệu âm thanh được điều rộng xung (PWM: Pulse Width Modulation) để chuyển thành tín hiệu xung ở tần số cao => KĐ CS (hiệu suất gần 100%) rồi lọc loại bỏ tần số cao khôi phục lại tín hiệu âm thanh ban đầu nhưng có biên độ lớn để kéo loa.
Như vậy mạch công suất class H cho hiệu suất chuyển đổi năng lượng cực cao, hầu như các dòng đẩy hay ampli class H đều có hiệu suất trên 90% cho đến gần 100%.

Ưu điểm, nhược điểm của mạch công suất class H
Một số những ưu điểm của mạch âm thanh class H phải kể đến như:
- - Mạch class H là loại mạch được lựa chọn sử dụng trong các hệ thống âm thanh lớn, công suất thiết bị cao như các dàn âm thanh hội trường, sân khấu, karaoke chuyên nghiệp có thể kéo được nhiều dòng loa công suất lớn như loa hội trường, loa sub hơi.
- - Nhờ có hiệu suất lớn nên các thiết bị sử dụng mạch công suất class H thường có công suất lớn, ít sinh nhiệt trong quá trình sử dụng và rất tiết kiệm điện năng.
- - Như đã đề cập ở trên, mạch class H có 2 tầng linh kiện công suất. Vì thế khi tín hiệu nhỏ linh kiện ngoài ngắt, mạch chạy áp thấp cho ít tốn điện. Khi tín hiệu có biên độ lớn hơn thì linh kiện ngoài được kích dẫn nâng áp lên để đảm bảo tín hiệu không bị xén ngọn.
- - Mạch công suất class H có khả năng cung cấp biến thiên analog vô hạn nhờ vào việc điều chỉnh các đường rails ở bất kỳ thời điểm nào.
- - Chất âm thanh của mạch class H tương đối tốt đảm bảo được độ rõ ràng, chân thực độ méo tiếng nhỏ.
Bên cạnh những ưu điểm thì mạch công suất class H cũng có nhược điểm nhất định như:
- - Thiết kế mạch phức tạp vì thế khi có trục trặc hay hỏng hóc sẽ rất khó sửa chữa.
- - Độ méo lớn hơn và tốn gấp đôi linh kiện công suất cùng với 2 bộ nguồn.
Có nên chọn bộ đẩy công suất class H, ampli class H cho dàn âm thanh không?
Sau khi tìm hiểu những ưu nhược điểm của mạch class H chắc bạn cũng đáng giá được phần nào ưu nhược điểm của các thiết bị âm thanh sử dụng mạch class H.
Nếu bạn sử dụng cho gia đình không cần tới những dàn loa hay đẩy công suất lớn thì không nên chọn thiết bị sử dụng mạch công suất class H vì chất lượng âm thanh chưa thực sự hay. Hơn nữa khi xảy ra hỏng hóc cũng rất khó để sửa chữa.
Nếu bạn cần trang bị cục đẩy, ampli công suất lớn cho các hệ thống âm thanh chuyên nghiệp thì lại nên chọn loại sử dụng mạch class H. Vì chúng có ưu điểm là hiệu suất cao, công suất rất lớn đáp ứng được nhu cầu sử dụng. Hơn nữa ít toả nhiệt nên không bị quá nóng trong quá trình sử dụng liên tục, tăng độ bền, tuổi thọ cho thiết bị.
Nên mua những bộ đẩy class H chính hãng tốt nhất hiện nay
Wharfedale Pro Việt Nam sẽ giới thiệu đến các bạn những dòng đẩy mạch class H Chính hãng tốt nhất hiện nay. Nếu bạn đang có nhu cầu trang bị cho hệ thống âm thanh của mình thì hãy tham khảo nhé.
Mời bạn tham khảo bộ đẩy công suất Class H Chính hãng
Bộ đẩy công suất Wharfedale Pro XR2500
Liên hệ So sánhBộ đẩy công suất Wharfedale Pro XR1500
Liên hệ So sánhBộ đẩy công suất Wharfedale Pro XR2500 và XR1500 (Chính hãng PGI)
Công suất chuẩn, hoạt động bền bỉ… giá hợp lí!
Dòng sản phẩm bộ đẩy công suất (power amp) XR series đến từ thương hiệu Wharfedale Pro – Anh Quốc được phân phối chính hãng tại thị trường Việt Nam với 2 mã XR1500, XR2500 với lần lượt công suất 330W, 500W cho mỗi kênh tại 8Ω.

Kết nối chuyên nghiệp, mạch bảo vệ kỹ lưỡng
Tất cả sản phẩm thuộc dòng bộ đẩy công suất XR đều có ngõ kết nối tín hiệu và ngõ liên kết (thru) chuẩn Canon (XLR) giúp việc “đi dây” gọn gàng, kết nối liên hoàn (daisy-chain) nhiều amplifi trong lắp đặt hoặc sử dụng trong thùng máy cũng đơn giản hơn. Đồng thời XR series được trang bị đầy đủ các mạch bảo vệ quá nhiệt, quá dòng, quá tải, đoản mạch cùng với Mute khi On/Off nguồn. Quạt tản nhiệt tốc độ cao hoạt động êm ái với độ ồn cực thấp cũng được trang bị trên hệ thống bộ đẩy công suất XR series.


Bộ đẩy công suất Wharfedale Pro XR1500 và XR2500 được nhập khẩu, phân phối và bảo hành chính hãng bởi Công ty TNHH Phúc Giang - PGI. Để chọn mua được sản phẩm ưng ý cùng với mức giá tốt nhất kèm nhiều ưu đãi, bạn có thể đặt hàng online dễ dàng hoặc đến trải nghiệm tại hệ thống cửa hàng, đại lý gần nhất.
Từ khóa » Sơ đồ Mạch Class H
-
Mạch Class H Là Gì? Ưu Nhược điểm Mạch Công Suất Class H
-
Thế Nào Là Mạch Công Suất Class H? Có Nên Chọn Cục đẩy Class H?
-
Mạch Class H Là Gì? Nguyên Lý Hoạt động Và ưu Nhược điểm Của ...
-
Sơ đồ Mạch Công Suất Class H - YouTube
-
Thế Nào Là Mạch Class H? Ưu điểm Của Cục đẩy Class H Thế Nào?
-
Ưu Nhược điểm Mạch Công Suất Class H Trên Cục Đẩy, Amply ...
-
Cục Đẩy Công Suất Class H Là Gì? Ưu Nhược Điểm - Kim Bảo Audio
-
Mạch Công Suất Class H Là Gì? Có Nên Sử Dụng Cục đẩy Class H?
-
Nguyên Lý Làm Việc Mạch Class H,G | VNAV
-
Thế Nào Là Class H? Những Mẫu Cục đẩy Công Suất Class H Nổi Bật
-
Sơ đồ Mạch Công Suất Class H - Kmdeal
-
MẠCH CÔNG SUẤT CLASS H 32 SÒ | SongvietAudio
-
Tìm Hiểu Chi Tiết Về Sơ đồ Và Nguyên Lý Mạch Công Suất âm Thanh