Sơ đồ Mạch điện Hệ Thống điều Hòa ô Tô - Xe Ô Tô
Có thể bạn quan tâm
Sơ đồ mạch điện đấu dây hệ thống điều hoà ô tô

Hình 1: Sơ đồ đấu dây hệ thống điều hoà ô tô
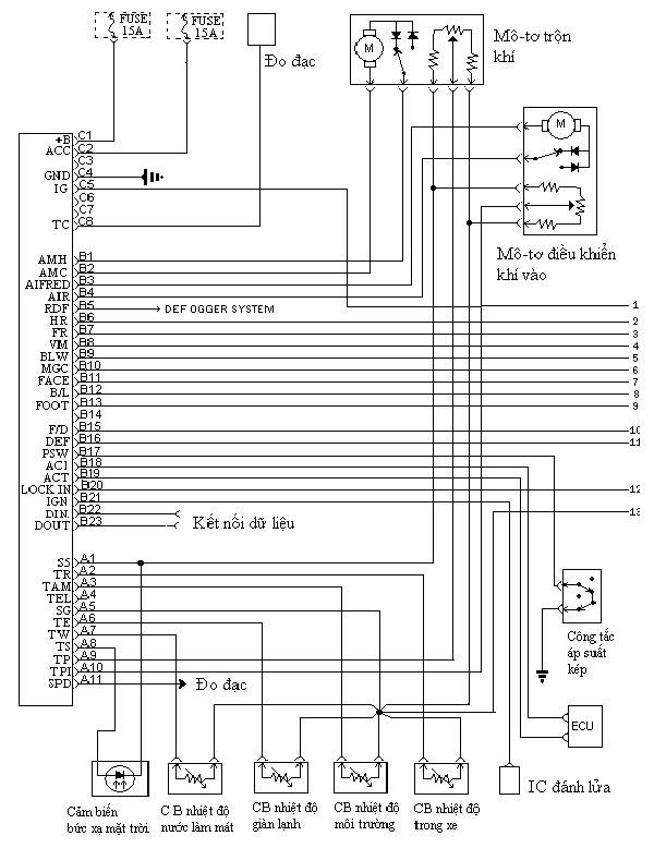
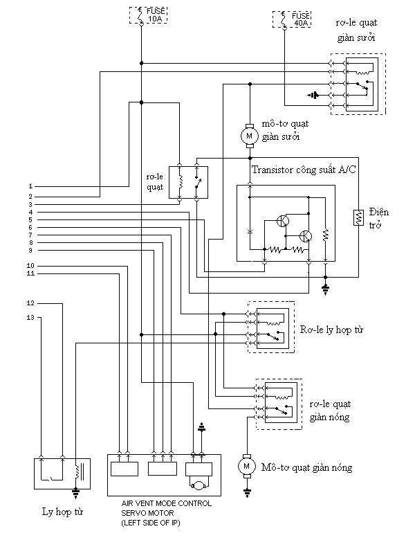
Sơ đồ mạch điện hệ thống điều hòa ô tô

Hình 2: Sơ đồ mạch điện hệ thống điều hoà ô tô
CÁC MẠCH CẢM BIẾN HỆ THỐNG ĐIỀU HÒA Ô TÔ
- Bảng giắc các chân ra của hệ thống điều hoà:

Hình 3: Bảng sơ đồ chân ra của hệ thống điều hoà.
- Cảm biến nhiệt độ trong xe:

Hình 4: Cảm biến nhiệt độ trong xe.
- Cảm biến nhiệt độ môi trường:

Hình 5: Cảm biến nhiệt độ môi trường.
- Cảm biến bức xạ mặt trời:

Hình 6: Cảm biến bức xạ mặt trời.
Thực hiện các mạch cảm biến hệ thống điều hòa:
Thực hiện mạch cảm biến nhiệt độ trong xe:

Hình 7: Sơ đồ mạch điện cảm biến nhiệt độ trong xe.
Các bước đấu dây:
Bước 1: Đấu dây TR từ cảm biến về chân TR của Bộ điều khiển hệ thống điều hoà.
Bước 2: Đấu dây SG từ cảm biến về chân SG của Bộ điều khiển hệ thống điều hoà.
Thực hiện mạch cảm biến nhiệt độ môi trường:

Hình 8: Sơ đồ mạch điện cảm biến nhiệt độ môi trường.
Các bước đấu dây:
Bước 1: Đấu dây TAM từ cảm biến về chân TAM của Bộ điều khiển hệ thống.
Bước 2: Đấu dây SG từ cảm biến về chân SG của Bộ điều khiển hệ thống.
Thực hiện mạch cảm biến bức xạ mặt trời:

Hình 9: Mạch điện cảm biến bức xạ mặt trời.
Các bước đấu dây:
Bước 1: Đấu dây TS từ cảm biến về chân TS của Bộ điều khiển.
Bước 2: Đấu dây S5 từ cảm biến về chân S5 của Bộ điều khiển.
Thực hiện mạch cảm biến nhiệt độ giàn lạnh:

Hình 10: Mạch điện cảm biến nhiệt độ giàn lạnh.
Các bước đấu dây:
Bước 1: Đấu dây TE từ cảm biến về chân TE của Bộ điều khiển.
Bước 2: Đấu dây SG từ cảm biến về chân SG của Bộ điều khiển
Từ khóa » Sơ đồ điện Máy Lạnh ô Tô
-
Sơ Đồ Mạch Điện Hệ Thống Điều Hòa Ô Tô - GIA ĐỊNH AUTO
-
Tổng Hợp Mạch điện điều Khiển điều Hòa Tự động ô Tô [Hình Ảnh]
-
Sơ Đồ Nguyên Lý Của Mạch điện điều Khiển Lốc điều Hòa ô Tô.(anh ...
-
Sơ Đồ Mạch Điện Hệ Thống Điều Hòa Ô Tô
-
Xin Sơ đồ Mạch điện Lạnh ô Tô Cơ Bản | OTO-HUI
-
Hệ Thống điều Hòa Trên ô Tô - Cấu Tạo, Nguyên Lý Hoạt động - OTO-HUI
-
Sơ đồ Nguyên Lý Hoạt động Của Hệ Thống điều Hòa ô Tô - 123doc
-
Top 18 Sơ đồ Mạch điện Hệ Thống điều Hòa ô Tô Mới Nhất 2022
-
Tổng Hợp Mạch điện điều Khiển điều Hòa Tự động ô Tô
-
Sơ đồ Và Cách Vận Hành Hệ Thống điện Của Hệ Thống điều Hòa ...
-
Hệ Thống điều Hòa ô Tô: Cấu Tạo, Nguyên Lý Và Cách Sử Dụng. - VinFast
-
Sơ đồ Mạch điện điều Hòa ô Tô