THÍ NGHIỆM KHÔNG TẢI MÁY BIẾN ÁP
Có thể bạn quan tâm
Tổn thất không tải máy biến áp
+Tổn thất không tải bao gồm: - Tổn thất sắt PFe do từ trễ và dòng điện xoáy trong lõi thép gây nên. - Tổn thất điện môi của vật liệu cách điện. - Tổn thất đồng do dòng điện không tải.+Tổn thất 2, 3 rất nhỏ nên có thể bỏ qua. Do đó, tổn thất sắt quyết định tổn thất không tải MBA P0 = PFeChú ý: Với những máy biến áp mới, sau đại tu hay di chuyển ta sẽ thí nghiệm hạng mục không tải của máy biến áp.
Mục đích thí nghiệm không tải MBA
+Xác định: - I0% - Dòng điện không tải (dùng từ hóa lõi thép). - P0% - Tổn hao không tải (Không phụ thuộc vào tải).+Thông qua I0%; P0% ta có thể phát hiện: - Chạm chập, đứt cuộn dây máy biến áp. - Chất lượng lõi thép, - Ví dụ: Lõi thép có thể bị xô lệch khi di chuyển tới nơi lắp đặt Vật liệu làm lõi từ rồi kỹ thuật thiết kế mạch từ chưa tốt gây tổn hao không tải lớn.+Gián tiếp kiểm tra cách điện máy biến áp.
Biện pháp an toàn thí nghiệm không tải máy biến áp
+Khi thí nghiệm không tải ở cuộn dây LV > cảm ứng một sức điện động sang cuộn HV > Gây nguy hiểm cho người và thiết bị. Do đó: - Cô lập máy biến áp, tạo khoảng cách an toàn cần thiết. - Căng dây an toàn, treo biển báo và cử người trông an toàn xung quanh máy biến áp.
Phương pháp thí nghiệm không tải máy biến áp.
+Ở mỗi đơn vị thí nghiệm sẽ có thiết bị đo không tải khác nhau, có thể đo gián tiếp qua Vonmet, Ampemet hay trực tiếp hiển thị giá trị I0%; P0% như Hioky PW, Norma D4000.+Nguyên tắc: - Hạng mục đo không tải phải được làm trước các hạng mục liên quan đến nguồn DC để tránh ảnh hưởng của từ dư. Hoặc ta phải khử từ trước khi tiến hành đo không tải. - Điện áp thí nghiệm U> 5%Uđm - Đưa điện áp thí nghiệm không tải vào cuộn hạ áp, các cuộn còn lại để hở mạch. Ví dụ: MBA 22/0,4kV ta sẽ đưa áp và cuộn dây LV, cuộn HV để hở mạch. -Tăng dần dần điện áp đặt vào cuộn dây máy biến áp đến giá trị định mức. Trong quá trình lên không được giảm điện áp để tránh ảnh hưởng của từ trễ. - Khi điện áp thí nghiệm U < Uđm ta phải quy đổi Pđo theo Uđm
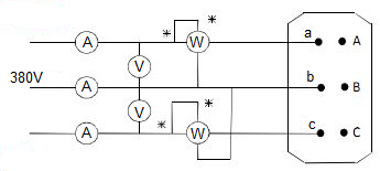
Thí nghiệm không tải bằng nguồn 3 pha
+Mắc sơ đồ như hình:

+Suy ra: P0 = Pab + Pbc
Thí nghiệm không tải bằng nguồn 1 pha
+Cuộn dây MBA đấu Y - Đo không tải cuộn dây ab Mắc sơ đồ như hình dưới:

Kết quả thu được: P0ab = P0a + P0b I0ab - Tương tự với cuộn bc, ca:

Kết quả thu được: P0bc = P0b + P0c P0ca = P0c + P0a I0bc; I0ca - Suy ra: Công suất không tải 3 pha: P0 = P0a + P0b + P0c = (P0ab + P0bc + P0ca)/2 Dòng không tải trung bình: I0 = (I0ab + I0bc + I0ca)/3+Cuộn dây MBA đấu Y0 - Đo cuộn dây an Mắc sơ đồ như hình dưới:

Kết quả thu được: P0a; I0a - Đo tương tự với cuộn bn, cn

Kết quả thu được: P0b; P0c; I0b; I0c - Suy ra: Công suất không tải 3 pha: P0 = P0a + P0b + P0c Dòng không tải trung bình: I0 = (I0a + I0b + I0c)/3+Cuộn dây MBA đấu Δ - Đo cuộn dây ab, nối tắt bc. Mắc sơ đồ như hình dưới:

Kết quả thu được: P0ab = P0a + P0b I0ab - Tương tự với cuộn bc (nối tắt ac); ca (nối tắt ab)

Kết quả thu được: P0bc = P0b + P0c P0ca = P0c + P0a I0bc; I0ca - Suy ra: Công suất không tải 3 pha: P0 = P0a + P0b + P0c = (P0ab + P0bc + P0ca)/2 Dòng không tải trung bình: I0 = (I0ab + I0bc + I0ca)/3+Chú ý: Khi đo không tải máy biến áp mà không lên bằng điện áp định của cuộn dây thì ta phải quy đổi theo công thức:

- Trong đó: POđm : Quy đổi theo điện áp định mức Uđm P’O : Tổn thất không tải khi đo ở điện áp thấp U’ n: hệ số (n=1,8 với thép cán nóng, n=1,9 với thép cán nguội)
Đánh giá kết quả đo không tải
+Việc đánh giá được tiến hành khi ta quy đổi kết quả đo được về cùng điều kiện với nhà sản xuất. - Dòng không tải ≤ 130% * I0 (nhà sản xuất). - Tổn thất không tải ≤ 115% *P0 (nhà sản xuất).+Do kết cấu mạch từ các pha khác nhau, pha B thường ngắn hơn A,C nên: - I0a; I0c = (1,2 – 1,5)*I0b - P0a; P0c = (1,2 – 1,5)*P0b - Kết quả không tải (P0; I0) pha a, c không lệch nhau quá 5%.
Theo: www.dienkythuat.com
Từ khóa » Cách Tính Tổn Thất Không Tải Máy Biến áp
-
Tính Tổn Công Suất Và Tổn điện Năng Trong Máy Biến áp - 123doc
-
Cách Tính Tổn Hao Không Tải Máy Biến áp - Toàn Thua
-
ĐO TỔN THẤT KHÔNG TẢI VÀ DÒNG ĐIỆN KHÔNG TẢI - Quê Hương
-
Tổn Thất Trong Máy Biến áp Gồm Những Thành Phần Nào Và Phụ Thuộc ...
-
Tổn Hao Không Tải Máy Biến áp Là Gì - Thả Rông
-
Tổn Thất điện Năng Trong Máy Biến áp - TRI THỨC TỐT
-
Tính Toán Tổn Thất Công Suất Trên Máy Biến áp | PDF - Scribd
-
Làm Thế Nào để Giảm Tổn Thất Máy Biến áp?
-
[PDF] TÍNH TOÁN TỔN THẤT CÔNG SUẤT VÀ TỔN THẤT ĐIỆN NĂNG
-
Tính Tổn Thất điện Năng Trong Các Máy Biến áp
-
Dòng điện Không Tải Của Máy Biến áp
-
Công Thức Tính Tổn That Trong Máy Biến áp
-
Tổn Thất Không Tải Của Máy Biến áp
-
Tính Tổn That Không Tải Máy Biến áp