Thực Hành: Đo Cường độ Dòng điện Và Hiệu điện Thế đối Với đoạn ...
Có thể bạn quan tâm
Nâng cấp gói Pro để trải nghiệm website VnDoc.com KHÔNG quảng cáo, và tải file cực nhanh không chờ đợi.
Tìm hiểu thêm » Mua ngay Từ 79.000đ Hỗ trợ ZaloChuyên đề Vật lý lớp 7: Thực hành: Đo cường độ dòng điện và hiệu điện thế đối với đoạn mạch nối tiếp được VnDoc sưu tầm và giới thiệu tới các bạn học sinh cùng quý thầy cô tham khảo. Nội dung tài liệu sẽ giúp các bạn học sinh học tốt môn Vật lý lớp 7 hiệu quả hơn. Mời các bạn tham khảo.
Thực hành: Đo cường độ dòng điện và hiệu điện thế đối với đoạn mạch nối tiếp
- A. Lý thuyết
- B. Trắc nghiệm
A. Lý thuyết
Gọi X1, X2 ... Xn là các thiết bị điện
I1, I2 ... In và IAB là cường độ dòng điện qua các thiết bị điện và trong mạch chính.
Gọi UAB là hiệu điện thế hai đầu đoạn mạch.
U1, U2 ... Un lần lượt là hiệu điện thế giữa hai đầu mỗi thiết bị điện.

Đoạn mạch mắc nối tiếp là đoạn mạch gồm các thiết bị điện được nối với nhau thành một dãy liên tiếp.
Hình 1.1 là các thiết bị điện X1, X2...Xn mắc nối tiếp với nhau.
1. Cường độ dòng điện trong đoạn mạch mắc nối tiếp
- Trong đoạn mạch mắc nối tiếp, cường độ dòng điện qua các thiết bị điện trong mạch là như nhau.
Ta có: IAB = I1 = I2 = ... = In
- Đo cường độ dòng điện qua mạch chính hay các thiết bị điện ta chỉ cần dùng một ampe kế mắc nối tiếp vào đoạn mạch đó.
2. Hiệu điện thế giữa hai đầu đoạn mạch mắc nối tiếp
- Trong đoạn mạch mắc nối tiếp, hiệu điện thế giữa hai đầu đoạn mạch gồm các thiết bị điện mắc nối tiếp bằng tổng các hiệu điện thế giữa hai đầu mỗi thiết bị thành phần.
Ta có: UAB = U1 + U2 + ...+ Un
- Đo hiệu điện thế giữa hai đầu thiết bị điện nào thì ta dùng vôn kế mắc song song với thiết bị điện đó ở trong mạch điện.
B. Trắc nghiệm
Bài 1: Nếu hai bóng đèn A và B được mắc song song và nối vào nguồn điện thì nếu bóng đèn A bị đứt dây tóc thì:
A. độ sáng của bóng đèn B vẫn không đổi vì hiệu điện thế ở hai đầu đèn B không đổi.
B. độ sáng của bóng đèn B tăng lên vì cường độ dòng điện tập trung vào một bóng.
C. độ sáng của bóng đèn B giảm vì mạch chỉ còn một bóng.
D. bóng đèn B cũng bị đứt dây tóc theo.
Nếu hai bóng đèn A và B được mắc song song và nối vào nguồn điện thì nếu bóng đèn A bị đứt dây tóc thì độ sáng của bóng đèn B vẫn không đổi vì hiệu điện thế ở hai đầu đèn B không đổi ⇒ Đáp án A
Bài 2: Hiệu điện thế giữa hai đầu đoạn mạch gồm hai bóng đèn như nhau mắc nối tiếp có giá trị nào dưới đây?
A. bằng tổng các hiệu điện thế trên mỗi đèn.
B. nhỏ hơn tổng các hiệu điện thế trên mỗi đèn.
C. bằng hiệu điện thế trên mỗi đèn.
D. lớn hơn tổng các hiệu điện thế trên mỗi đèn.
Hiệu điện thế giữa hai đầu đoạn mạch gồm hai bóng đèn như nhau mắc nối tiếp có giá trị bằng tổng các hiệu điện thế trên mỗi đèn U = U1 + U2 ⇒ Đáp án A
Bài 3: Có 3 nguồn điện 4,5V; 6V; 9V và hai bóng đèn giống nhau đều ghi 6V, cần mắc song song hai bóng đèn này vào một trong ba nguồn điện trên. Dùng nguồn điện nào là phù hợp nhất?
A. 9V B. 6V C. 4,5V D. nguồn điện nào cũng được
Dùng nguồn điện 6V là phù hợp nhất vì nó sử dụng cho hai bóng đèn giống nhau đều ghi 6V mắc song song ⇒ Đáp án B
Bài 4: Cho một nguồn điện 12V và hai bóng đèn giống nhau có ghi 6V. Để mỗi đèn đều sáng bình thường thì phải mắc mạch điện như thế nào?
A. Lần lượt nối hai đầu mỗi bóng đèn với hai cực của nguồn.
B. Hai bóng đèn mắc song song vào hai cực của nguồn.
C. Hai bóng đèn mắc nối tiếp vào hai cực của nguồn.
D. Không có cách mắc nào để cả hai đèn sáng bình thường.
Để mỗi đèn đều sáng bình thường thì phải mắc hai bóng đèn nối tiếp và mắc vào hai cực của nguồn ⇒ Đáp án C
Bài 5: Cho các mạch điện như hình 28.1 dưới đây, hãy cho biết những sơ đồ nào hai bóng đèn được mắc song song.

A. a – b – d
B. a – b – c - e
C. a – b – c
D. a – b – e
Hai bóng đèn mắc song song ở sơ đồ a, b và d ⇒ Đáp án A
Bài 6: Đặc điểm nào sau đây không phải là của mạch điện gồm hai đèn Đ1, Đ2 mắc song song?
A. Hai đèn có hai điểm nối chung.
B. Hiệu điện thế trên hai đèn có giá trị bằng nhau.
C. Nếu hai đèn giống hệt nhau thì sẽ sáng như nhau.
D. Cường độ dòng điện qua hai đèn có giá trị bằng nhau.
Nếu hai đèn khác nhau, cường độ dòng điện qua hai đèn khác nhau ⇒ Đáp án D
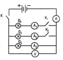
Bài 7: Chỉ ra nhận xét sai
Cho mạch điện như hình 28.1. Có các nhận xét như sau:
A. Số chỉ ampe kế A cho biết cường độ dòng điện qua mạch chính.
B. Khi khóa K, K1 đóng, K2 mở thì không có bóng đèn nào sáng.
C. Khi K, K2 đóng, K1 mở thì bóng đèn 2 và 3 sáng.
D. Số chỉ vôn kế V cho biết hiệu điện thế đặt trên bóng đèn 1 hoặc bóng đèn 2 hoặc bóng đèn 3.

Khi khóa K, K1 đóng, K2 mở thì vẫn có bóng đèn sáng ⇒ Đáp án B
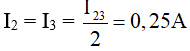
Bài 8: Cho ba đèn Đ1, Đ2, Đ3 mắc song song. Cường độ dòng điện qua mạch chính là 1A, cường độ dòng điện qua đèn Đ1 là 0,5A. Biết rằng hai đèn Đ2, Đ3 giống hệt nhau. Tìm cường độ dòng điện qua đèn Đ2 và Đ3.
Đáp ánCường độ dòng điện qua đèn 2 và đèn 3 là I23 = I – I1 = 1 – 0,5 = 0,5 A
Vì hai đèn này giống nhau nên 
Bài 9: Cho mạch điện có sơ đồ như hình 28.8, trong đó vôn kế chỉ U = 3V, ampe kế A chỉ I = 0,6A, ampe kế A1 chỉ l1 = 0,32A
a) Tìm số chỉ I2 của ampe kế A2
b) Tìm hiệu điện thế U1, U2 tương ứng ở hai đầu mỗi bóng đèn
c) Nếu đèn Đ1 bị hỏng thì ampe kế A chỉ 0,38A. Hỏi khi đó số chỉ của ampe kế A2 là bao nhiêu?

a) Số chỉ của ampe kế A2: I2 = I - l1 = 0,6 - 0,32 = 0,28 (A)
b) U1 = U2 = U = 3V (Vì Đ1 // Đ2)
c) I2 = I = 0,38A.
Bài 10: Trong mạch điện có sơ đồ như hình 28.5, ampe kế có số chỉ I = 0,54A. Biết cường độ dòng điện đi qua đèn Đ1 lớn gấp hai lần cường độ dòng điện đi qua đèn Đ2.
a) Hãy tính cường độ dòng điện l1 và I2 tương ứng đi qua các đèn Đ1 và Đ2.
b) Hãy so sánh hiệu điện thế giữa hai đầu các đèn Đ1 và Đ2.

a) l1 = 2I2.
Vì đèn 1 song song đèn 2 nên: I = l1 + I2 = I2 + 2I2 = 3I2 = 0,54
=> I2 = 0,18A; l1 = 2I2 = 0,36A.
b) Hiệu điện thế giữa 2 đầu các đèn Đ1 và Đ2 là bằng nhau vì Đ1 // Đ2.
Trên đây VnDoc đã giới thiệu tới các bạn lý thuyết Vật lý 7: Thực hành: Đo cường độ dòng điện và hiệu điện thế đối với đoạn mạch nối tiếp. Để có kết quả cao hơn trong học tập, VnDoc xin giới thiệu tới các bạn học sinh tài liệu Chuyên đề Vật lý 7, Giải bài tập Vật lý lớp 7, Giải bài tập Vật Lí 7, Tài liệu học tập lớp 7 mà VnDoc tổng hợp và giới thiệu tới các bạn đọc
Từ khóa » Công Thức Mạch điện Nối Tiếp Và Song Song Lớp 7
-
Lý Thuyết Đoạn Mạch Nối Tiếp - Đoạn Mạch Song Song Hay, Chi Tiết
-
Mạch điện Nối Tiếp, Song Song - Vật Lý Lớp 7 - Thầy Vũ Văn Tuân
-
Trọng Tâm Kiến Thức Phần Mạch điện Nối Tiếp, Mạch điện Song Song ...
-
Nêu 4 Công Thức Mạch Nối Tiếp Và Mạch Song Song (giúp Mình đi)
-
Top 29 Công Thức Mạch điện Nối Tiếp Và Song Song Lớp 7 2022
-
Viết Công Thức Của đoạn Mạch Mắc Nối Tiếp Và Song Song - Lazi
-
Công Thức Mạch điện Nối Tiếp Và Song Song - Hàng Hiệu
-
Bài Tập Về Cường độ Dòng Diện Và Hiệu điện Thế Của đoạn Mạch Mắc ...
-
Mạch điện Song Song: Công Thức Tính điện Trở Tương đương R, Hiệu ...
-
Vật Lý 7 Bài 28: Thực Hành Đo Cường độ Dòng điện Và Hiệu điện Thế ...
-
Mạch Nối Tiếp, Mạch Song Song Là Mạch Như Thế Nào? | Tech12h
-
Đo Hiệu điện Thế Và Cường độ Dòng điện đối Với đoạn Mạch Song ...
-
Lý Thuyết & Bài Soạn Bài 4: Đoạn Mạch Nối Tiếp - Chương I - Vật Lý 9