Vẽ Sơ đồ Nguyên Lí , Sơ đồ Lắp đặt Mạch điện Gồm 2 Cầu Chì , 2 Công ...
Có thể bạn quan tâm


Tìm kiếm với hình ảnh
Vui lòng chỉ chọn một câu hỏi
Tìm đáp án
Đăng nhập- |
- Đăng ký


Hoidap247.com Nhanh chóng, chính xác
Hãy đăng nhập hoặc tạo tài khoản miễn phí!
Đăng nhậpĐăng ký

Lưu vào
+
Danh mục mới
- Hoahoa00

- Chưa có nhóm
- Trả lời
0
- Điểm
7
- Cảm ơn
0
- Công Nghệ
- Lớp 9
- 10 điểm
- Hoahoa00 - 10:34:15 02/03/2020
- Hỏi chi tiết
Báo vi phạm
Hãy luôn nhớ cảm ơn và vote 5* nếu câu trả lời hữu ích nhé!
TRẢ LỜI


- nguyentrungthanh

- Chưa có nhóm
- Trả lời
16
- Điểm
5661
- Cảm ơn
25
- nguyentrungthanh
- Câu trả lời hay nhất!

- 02/03/2020

Đây là câu trả lời đã được xác thực
Câu trả lời được xác thực chứa thông tin chính xác và đáng tin cậy, được xác nhận hoặc trả lời bởi các chuyên gia, giáo viên hàng đầu của chúng tôi.
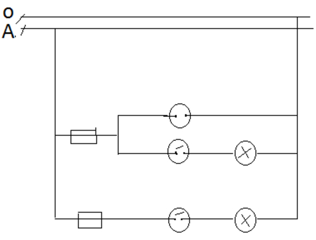
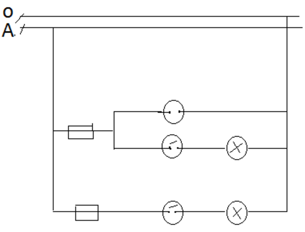
- Hai bóng đèn mắc song song với nhau.
- Cầu chì và công tắc mắc vào dây pha.
- Phương án lắp đặt dây dẫn: lắp nổi.

Hãy giúp mọi người biết câu trả lời này thế nào?
![]()
Cảm ơn 17


- cristianotrancr7

- Chưa có nhóm
- Trả lời
0
- Điểm
55
- Cảm ơn
0
sơ đồ ng lý
- cristianotrancr7


- cristianotrancr7

- Chưa có nhóm
- Trả lời
0
- Điểm
55
- Cảm ơn
0
câu 1 , hai bóng đèn mắc song song . câu 2 , mắc vào dây pha . câu 3 , Công tắc nào đóng thì đèn sẽ sáng, mở ngắt mạch thì đèn sẽ tắt.
- cristianotrancr7
- phamthanh98

- Chưa có nhóm
- Trả lời
0
- Điểm
5
- Cảm ơn
0
Vẽ sơ đồ nguyên lý gồm 3 bóng đèn mắc song song được điều khiển bởi 3 công tắc và 1 cầu chì giúp mình với
- phamthanh98
- lansanhs15

- Chưa có nhóm
- Trả lời
3
- Điểm
1105
- Cảm ơn
1
- Hai bóng đèn mắc song song với nhau. - Cầu chì và công tắc mắc vào dây pha. -(cái này mình chưa hểu lắm xin lỗi nhé) imagerotate Hãy giúp mọi người biết câu trả lời này thế nào?
- lansanhs15


- hoangducan5a

- Chưa có nhóm
- Trả lời
529
- Điểm
3308
- Cảm ơn
648
bn copy mạng
- hoangducan5a
- vuongdiem8018

- Chưa có nhóm
- Trả lời
0
- Điểm
52
- Cảm ơn
0
Ai lam sơ đồ lắp đặt như vậy chưa
- vuongdiem8018
- tranlam293

- Chưa có nhóm
- Trả lời
0
- Điểm
913
- Cảm ơn
0
Chỉ mik lm sơ đồ ng lý đi
- tranlam293


- huyenntrann2301

- Chưa có nhóm
- Trả lời
0
- Điểm
975
- Cảm ơn
0
Cho e hỏi nếu đề yêu cầu vẽ sơ đồ nguyên lí của mạch điện gồm: 1 cầu chì, 1 ổ điện, 1 công tắc 2 cực điều khiển 1 bóng đèn sợi đốt thì vẽ ntn ạ? Lm s để biết khi nào vẽ mạch điện //, mạch điện nối tiếp? Chỉ e cách vẽ mạch điện // và nối tiếp vs ạ
- huyenntrann2301
Xem thêm:
- >> Tuyển tập 100+ đề bài đọc hiểu Ngữ Văn lớp 9
- holliwood

- The Science of the Universe
- Trả lời
6598
- Điểm
6541
- Cảm ơn
5226
- holliwood
- 10/08/2021
Đáp án:
`***`Hai bóng đèn được mắc song song với nhau. (theo hình vẽ)
`***`Cầu chì, công tắc, ổ điện được mắc vào dây pha.
`***`
`-`Các thiết bị đóng cắt được mắc trên dây pha, sau cầu chì, trước các thiết bị điện.
`-`Thiết bị bảo vệ được mắc trước thiết bị đóng cắt và thiết bị điện, trên dây pha.
`-`Từ dây pha (A), chia là hai nhánh:
`+)`Nhánh 1: Nối tiếp dây pha (A), qua cầu chì một, nối tiếp với ổ điện nối trở về dây trung tính (O).
`+)`Nhánh 2: Nối tiếp dây pha (A), qua cầu chì hai, nối tiếp chia là hai nhánh nhỏ:
`+)`Nhánh nhỏ 1: Nối tiếp dây pha (A) qua công tắc điện một đến bóng đèn một nối về dây trung tính (O).
`+)`Nhánh nhỏ 2: Nối tiếp dây pha (A) quay công tắc điện hai đến bóng đèn hai nối về dây trung tính (O).



Hãy giúp mọi người biết câu trả lời này thế nào?
starstarstarstarstarstarstarstarstarstarstarstarstarstarstarstarstarstarstarstarstarstarstarstarstarstarstarstarstarstar4.5starstarstarstarstar11 voteGửiHủy
Cảm ơn 6
Báo vi phạm
Bạn muốn hỏi điều gì?
Tham Gia Group Dành Cho Lớp 9 - Ôn Thi Vào Lớp 10 Miễn Phí

Bảng tin
Bạn muốn hỏi điều gì?
Lý do báo cáo vi phạm?
Gửi yêu cầu Hủy

Cơ quan chủ quản: Công ty Cổ phần Công nghệ Giáo dục Thành Phát
Tải ứng dụng


- Hướng dẫn sử dụng
- Điều khoản sử dụng
- Nội quy hoidap247
- Góp ý
Inbox: m.me/hoidap247online
Trụ sở: Tầng 7, Tòa Intracom, số 82 Dịch Vọng Hậu, Cầu Giấy, Hà Nội.
Từ khóa » Sơ đồ Nguyên Lý Và Sơ đồ Lắp đặt Mạch điện
-
Vẽ Sơ đồ Nguyên Lý Và Sơ đồ Lắp đặt Mạch điện 1 Công Tắc 3 Cực ...
-
Vẽ Sơ đồ Nguyên Lý Và Sơ đồ Lắp đặt Mạch điện - TopLoigiai
-
Bài 57: Thực Hành - Vẽ Sơ đồ Lắp Mạch điện - Hoc24
-
Thế Nào Là Sơ đồ Nguyên Lý Và Sơ đồ Lắp đặt ? Chúng Khác Nhau ở ...
-
Phân Biệt Sự Khác Nhau Của Sơ đồ Nguyên Lí Và Sơ đồ Lắp đặt Của ...
-
Công Nghệ 8 Bài 57: Thực Hành - Vẽ Sơ đồ Lắp Mạch điện - HOC247
-
Sơ đồ Lắp đặt Mạch điện Bảng điện - Thực Hành Công Nghệ 9
-
Câu 1 Trang 192 SGK Công Nghệ 8
-
Vẽ Sơ đồ Nguyên Lý Và Sơ đồ Lắp đặt Mạch điện Gồm 2 Cầu Chì, 2 ...
-
Trước Khi Vẽ Sơ đồ Lắp đặt Cần? - Luật Hoàng Phi
-
Cách Vẽ Sơ đồ Lắp đặt Mạch điện Lớp 9 - Nội Thất Hằng Phát
-
Vẽ Sơ đồ Nguyên Lý Và Sơ đồ Lắp đặt Mạch điện Bảng điện - Thả Rông
-
Cách Vẽ Sơ đồ Lắp đặt Mạch điện Lớp 8 - Hỏi Đáp