Bộ Khuếch đại Tín Hiệu KM02A
Có thể bạn quan tâm
- Trang chủ
- Cân điện tử
- Loadcell
- Bộ chỉ thị
- Phụ kiện
- Tin tức
- Liên hệ
- Trang chủ
- /
- Thiết bị khác
- /
- Bộ khuếch đại tín hiệu KM02A
Mã sku: KM02A
Liên hệNhà sản xuất: Keli (Mỹ)
- Bộ khuếch đại tín hiệu Cảm biến lực (Loadcell) KM02A do Keli sản xuất được sử dụng rộng rãi trong các hệ thống trạm trộn Bê tông. Bộ khuếch đại KM02A Thông số kỹ thuật: - Bộ khuếch đại này được thiết kế để ứng dụng trong các ngành điều khiển công nghiệp. Thiết bị này có thể đọc, chuẩn hóa và khuếch các tín hiệu từ Cảm... - + Cho vào giỏ hàng- Mô tả sản phẩm
- Thông số kỹ thuật
- Tài liệu đính kèm
- Bộ khuếch đại tín hiệu Cảm biến lực (Loadcell) KM02A do Keli sản xuất được sử dụng rộng rãi trong các hệ thống trạm trộn Bê tông.

Bộ khuếch đại KM02A
Thông số kỹ thuật:
- Bộ khuếch đại này được thiết kế để ứng dụng trong các ngành điều khiển công nghiệp. Thiết bị này có thể đọc, chuẩn hóa và khuếch các tín hiệu từ Cảm biến lực (Loadcell).
- Với thiết kế chống nhiễu tốt. Vì vậy nó được sử dụng rất phổ biến trong các hệ thống trạm trộn nơi mà có rất nhiều động cơ cũng như biến tần hoạt động.
- Các bộ khuếch đại được áp dụng rất khác nhau. Như dùng để khuếch đại tín hiệu đầu dò nhiệt độ, đầu dò lực, đầu dò độ ẩm, đầu dò trọng lượng, v.v.
- Tùy ứng dụng mà sử dụng các tín hiệu Tương tự (Analog) xuất ra tương ứng: 4 ~ 20mA (phổ biến) hoặc 0 ~ 10V.
- Bộ khuếch đại KM02A có vùng nhiệt độ sử dụng là 0℃ ~ 85℃, độ ẩm là 10%RH ~ 95%RH.
- Kích thước Hộp: 180x120x45 (mm).
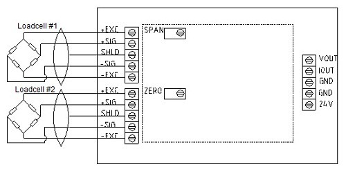
Sơ đồ đấu nối:

Sản phẩm đã xem
Sản phẩm liên quan
BẢNG HIỂN THỊ PHỤ YHL5 (YAOHUA)
Liên hệ Chi tiếtBẢNG HIỂN THỊ PHỤ YHL3 (YAOHUA)
Liên hệ Chi tiếtChân tự lựa Loadcell
Liên hệ Chi tiếtMÁY IN METTLER TOLEDO PQ16
Liên hệ Chi tiếtPIN CÂN ĐIỆN TỬ
Liên hệ Chi tiếtSẠC - ADAPTOR CÂN ĐIỆN TỬ
Liên hệ Chi tiếtBẢNG HIỂN THỊ PHỤ DPM-5 (KELI)
Liên hệ Chi tiếtNhà sản xuất:
Số lượng:
Cho vào giỏ hàng LỗiĐã được thêm vào giỏ hàng.
Số lượng:
Đi tới giỏ hàng Thanh toán Lên đầu trang
Từ khóa » Bộ Khuếch đại Tín Hiệu Loadcell
-
Bộ Khuếch Đại Tín Hiệu Loadcell | Z-SG | Analog 4-20mA 0-10V
-
Bộ Khuếch đại Tín Hiệu Loadcell KM-02 Keli - Cân điện Tử Tân Phát
-
Bộ Khuếch đại Tín Hiệu Loadcell Ra 4-20mA
-
Bộ Khuếch đại Tín Hiệu Loadcell Z-SG - Đồng Hồ đo áp Suất
-
Bộ Khuếch đại Tín Hiệu Loadcell KM02A Của Keli - Cân điện Tử
-
Bộ Khuếch đại Tín Hiệu Loadcell 4 đầu Vào
-
Bộ Khuếch đại Tín Hiệu Loadcell Z-SG | 0-10V, 4-20mA | Hàng Châu Âu
-
Module Khuếch đại Tín Hiệu Loadcell (Loadcell Amplifier)
-
Bộ Khuếch Đại Loadcell Ngõ Ra 4-20mA 0-10V | Đầu Cân MV/V
-
Bộ Khuếch đại Tín Hiệu Loadcell OMX380T - Cảm Biến Báo Mức
-
Bộ Khuếch đại KM02A - Cân Điện Tử Thịnh Phát
-
Bộ Khuếch đại Tín Hiệu Loadcell KM02 -KELI - Bộ Chuyển đổi Dòng ...
-
Bộ Khuếch đại Tín Hiệu Loadcell RW-ST01A
-
Mạch Khuếch đại Loadcell JY-S60/E10 đầu Ra 0-5V 0-10V 4-20mA
-
Bộ Khuếch đại Tín Hiệu Loadcell KM-02A - AUTECHVN