Bộ Khuếch đại Tín Hiệu Loadcell KM-02 Keli - Cân điện Tử Tân Phát
Có thể bạn quan tâm
KM02/ KM02A KELI là bộ chuyển đổi tín hiệu loadcell / bộ khuếch đại tín hiệu loadccell chuyên dùng trong các ngành điều khiển công nghiệp, điển hình như hệ thống trạm trộn bê tông.
1. ĐẶC ĐIỂM NỔI BẬT CỦA BỘ KHUẾCH ĐẠI TÍN HIỆU LOADCELL KM02A KELI
- KM02 / KM02A có thể đọc, chuẩn hóa và khuếch đại các tín hiệu loadcell (cảm biến lực).
- Thiết kế chống tốt, sử dụng rất phổ biến trong các hệ thống cân có nhiều động cơ cũng như biến tần hoạt động (như cân trạm trộn bê tông).

- Bộ khuếch đại tín hiệu KM02 Keli được sử dụng cho nhiều mục đích khác nhau như: khuếch đại tín hiệu đầu dò nhiệt, đầu dò trọng lượng, đầu dò độ ẩm...
- Tùy từng ứng dụng mà sử dụng các tín hiệu Analog tương ứng như 4-20mA (phổ biến) hoặc 0-10V.
- Bộ chuyển đổi tín hiệu loadcell KM02/KM02A còn giúp đơn giản hóa vấn đề truyền thông giữ PCL với hệ thống cân.

2. THỐNG SỐ KỸ THUẬT BỘ CHUYỂN ĐỔI TÍN HIỆU LOADCELL KM02A KELI
| Model | KM02A |
| Nhà sản xuất | Keli |
| Nơi sản xuất | Trung Quốc |
| Nhà phân phối | Tân Phát |
| Bảo hành | 12 tháng |
| Kích thước tổng thể | 180mm x 120mm x 46mm |
| Nguồn điện cung cấp | 15-24 VDC |
| Nhiệt độ hoạt động | 0˚C đến 85˚C |
| Độ ẩm hoạt động | 10 - 95 %RH |
| Độ nhạy loadcell | 1-4 mV/V |
| Độ không tuyến tính | tốt hơn 0.05 %FS |
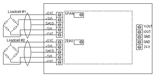
3. TÍN HIỆU VÀO RA CỦA BỘ KHUẾCH ĐẠI KM02A KELI
- VOUT: 0~10 V (tín hiệu ra dạng áp)
- IOUT: 4~20 mA (tín hiệu ra dạng dòng)
- GND: Nguồn - 0 V
- 24V: Nguồn + 24 V.

4. HƯỚNG DẪN CÀI ĐẶT ĐẦU RA CHO BỘ KHUẾCH ĐẠI KELI KM02
Để người dùng mới dễ nắm bắt và sử dụng hiệu quả bộ chuyển đổi tín hiệu này, dưới đây là hướng dẫn chi tiết về cách chỉnh đầu ra cho bộ khuếch đại KM02 KELI.
4.1. Cách chỉnh đầu ra là kiểu Dòng (4~20mA)
Vùng Zero thấp nhất của Bộ khuếch đại là khoảng 2.7 mA, Khi đầy tải sẽ được giới hạn trong khoảng 32 mA.
- Bước 1:Kết nối và kiểm tra cẩn thận.
- Bước 2: Sử dụng VOM thang đo dòng để đo dòng điện ra khi cài đặt tải trong tình huống tải rỗng (Vùng ZERO không tải). Điều chỉnh POT (Biến trở) tại vị trí có đánh dấu 'Zero' để tạo ra dòng điện hiện tại ở 4.000 mA. Nếu bạn điều chỉnh POT theo chiều kim đồng hồ, đầu ra hiện tại sẽ tăng lên, nếu theo ngược chiều kim đồng hồ thì đầu ra dòng điện hiện tại sẽ giảm.
- Bước 3: Đặt đầy tải hoặc một điểm tải như n% F.S lên cảm biến lực/cân/sàn cân, sau đó điều chỉnh POT (Biến trở) tại vị trí có được đánh dấu 'SPAN' để tạo ra dòng điện hiện tại ở 20.000 mA hoặc 4 + n% * 16. Cách điều chỉnh POT như bước trên.
- Bước 4: Lặp lại bước 2, bước 3 cho đến khi kết quả là đúng theo yêu cầu.

4.2. Cách hỉnh đầu ra là kiểu Áp (0~5V hoặc 0~10V)
Điện áp thấp nhất tại vùng Zero đầu ra của bộ khuếch đại KM01 khoảng -0.3 V, khi đầy tải sẽ được giới hạn trong khoảng 10.7 V.
- Bước 1: Kết nối và kiểm tra cẩn thận.
- Bước 2: Sử dụng VOM thang đo điện áp để đo điện áp ra khi cài đặt tải trong tình huống tải rỗng. Điều chỉnh POT (Biến trở) tại vị trí có đánh dấu 'Zero' để tạo ra điện áp là 0.000 V.
Nếu bạn điều chỉnh POT theo chiều kim đồng hồ, điện áp đầu ra sẽ tăng lên, nếu ngược ngược chiều kim đồng hồ thì điện áp sẽ giảm.
- Bước 3: Đặt lên cảm biến/cân/sàn cân toàn bộ tải hoặc một điểm tải như n% F.S, sau đó điều chỉnh POT (Biến trở) tại vị trí được đánh dấu 'SPAN' để tạo ra điện áp ở 10.000V hoặc 10 * n% V. Cách điều chỉnh POT như các bước trên.
- Bước 4: Lặp lại bước 2, bước 3 cho đến khi kết quả là đúng như yêu cầu.

4.3. Những điều cần lưu ý khi sử dụng bộ khuếch đại tín hiệu loadcell KM02
- Sau khi điều chỉnh đầu ra cho bộ KM02 ở các mức ZERO và SPAN, bạn nên sử dụng những thứ đông lạnh như dầu đông cứng hoặc sáp để gắn các vít điều chỉnh của POT, để tránh rung động hoặc các lý do khác gây ra có thể ảnh hưởng đến POT làm sai lệch kết quả ở đầu ra.
- Đậy kín nắp, siết chặt ốc và siết chặt các phích cắm của các lỗ đấu dây để bảo vệ khỏi bụi và nước.
- Phạm vi cung cấp điện cho phép của Bộ Khuếch đại là DC15V ~ 24V, chúng tôi khuyên bạn sử dụng 15V, 18V hoặc 24V DC.
- Khi nhiệt độ môi trường trên 60 ℃, bạn nên đảm bảo rằng nguồn điện sẽ không được trên 24V.
- Trong các hệ thống điều khiển trạm trộn bê tông, ngoài việc sử dụng đầu cân (Weight TPS Indicator) để cân/đo nguyên liệu, thì việc sử dụng các bộ khuếch đại làm đơn giản hóa vấn đề giao tiếp giữa PLC (Bộ điều khiển lập trình đươc) với các hệ thống cân.
- Kết nối PLC và đầu cân (cần hiểu rõ truyền thông giao tiếp, đôi khi vấn đề này cũng không đơn giản).
- Kết nối PLC và bộ khuếch đại (chỉ cần kết nối cổng Analog --> đơn giản hóa vấn đề giao tiếp --> được sử dụng rộng rãi)

5. LIÊN HỆ ĐẶT HÀNG NHẬN BÁO GIÁ
Quý khách có nhu cầu đặt hàng hoặc cần tư vấn báo giá bộ chuyển đổi tín hiệu loadcell KM02 / KM02A Keli, vui lòng điền đầy đủ thông tin vào bảng đăng ký sau hoặc gọi điện trực tiếp đến số điện thoại 0927.966.866 để được hỗ trợ nhanh nhất.
Từ khóa » Bộ Khuếch đại Tín Hiệu Loadcell
-
Bộ Khuếch Đại Tín Hiệu Loadcell | Z-SG | Analog 4-20mA 0-10V
-
Bộ Khuếch đại Tín Hiệu Loadcell Ra 4-20mA
-
Bộ Khuếch đại Tín Hiệu Loadcell Z-SG - Đồng Hồ đo áp Suất
-
Bộ Khuếch đại Tín Hiệu Loadcell KM02A Của Keli - Cân điện Tử
-
Bộ Khuếch đại Tín Hiệu Loadcell 4 đầu Vào
-
Bộ Khuếch đại Tín Hiệu Loadcell Z-SG | 0-10V, 4-20mA | Hàng Châu Âu
-
Module Khuếch đại Tín Hiệu Loadcell (Loadcell Amplifier)
-
Bộ Khuếch Đại Loadcell Ngõ Ra 4-20mA 0-10V | Đầu Cân MV/V
-
Bộ Khuếch đại Tín Hiệu Loadcell OMX380T - Cảm Biến Báo Mức
-
Bộ Khuếch đại KM02A - Cân Điện Tử Thịnh Phát
-
Bộ Khuếch đại Tín Hiệu Loadcell KM02 -KELI - Bộ Chuyển đổi Dòng ...
-
Bộ Khuếch đại Tín Hiệu Loadcell RW-ST01A
-
Bộ Khuếch đại Tín Hiệu KM02A
-
Mạch Khuếch đại Loadcell JY-S60/E10 đầu Ra 0-5V 0-10V 4-20mA
-
Bộ Khuếch đại Tín Hiệu Loadcell KM-02A - AUTECHVN