Máy Chấn Tôn Thủy Lực Và Bảng Giá
Có thể bạn quan tâm
Máy chấn tôn thủy lực và bảng giá tại Siêu thị thủy lực luôn đảm bảo hàng chính hãng nhập khẩu trực tiếp từ các công ty hàng đầu thế giới với giá cả tốt nhất thị trường. Liên hệ ngay để nhận tư vấn và bảng giá máy chấn tôn thủy lực!
Cấu tạo của Máy chấn tôn thủy lực, hiệu quả khi sử dụng
Hiện nay nhu cầu sử dụng tôn ở Việt Nam khá lớn, do vậy máy chân tôn chính là thiết bị quan trọng và được sử dụng rất nhiều trong ngành công nghiệp sản xuất tôn phục vụ cho cuộc sống của con người. Đây là loại máy sử dụng sức nước hỗ trợ trong quá trình chấn tôn.

Máy chấn tôn thủy lực là gì?
Máy chấn tôn thủy lực hay máy chấn thép thủy lực là loại máy ép dập chủ yếu được sử dụng trong gia công uốn thép lá, nhôm lá. Máy có thể gia công uốn vật liệu có chiều rộng lớn.
Máy chấn tôn dùng hệ thống ép bằng thuỷ lực. Máy chấn tôn là dùng chầy và cối để tạo góc cho vật liệu là tôn tấm, hoặc bản kim loại. Máy chấn tôn thủy lực dùng hành trình từ trên xuống hoặc từ dưới lên. Khi chấn thì toàn bộ lưỡi chấn tịnh tiến đều trên sản phẩm cần chấn để tạo ra đường chấn thẳng đều, có đôi khi còn phải chỉnh cho cối chấn cong lên để đường chấn được thẳng trên toàn bộ cạnh chấn để chấn tấm kim loại dày và lực chấn lớn.

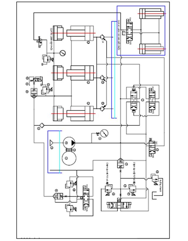
Cấu tạo của máy chân tôn thủy lực bao gồm:Thân máy có kết cấu hình chữ C với các bộ phận được mô tả trên hình dưới đây:
Máy chấn tôn rất hiệu quả trong việc chế tạo các loại thép tấm được định hình dạng khác nhau cho các chi tiết có có hình dáng khác nhau. Máy có nhiều loại từ nhỏ đến lớn với chiều dài sán tối đa đến 6000 mm.Với sự điều khiển sân từ bằng tay đến sấn điều khiển tự động CNC với các độ phức tạp định hình chi tiết có hình dáng của người thiết kế máy mong muốn.
Dưới đây là hình giáng chi tiết làm ví dụ:
Các loại cối cháy của máy chấn tôn:


Quy trình chấn tôn tám:
Lực chấn tôn được tính theo công thức:
Trong đó:S- dày tôn [mm];L- chiều dài sấn [mm];V-miệng khối V [mm]
SĐNL hệ thủy lực máy chấn tôn 600/-6000:

Máy chấn tôn của DENER:

Năm 2017 , An Huy có thiết kế và chế tạo máy chấn thủy lực 600 tấn cho khách hàng là nhà máy LILAMA 69-3 Hải Dương. Một số hình ảnh :


Siêu thị thủy lực cung cấp Máy chấn tôn thủy lực giá tốt nhất thị trường
Siêu thị thủy lực là đơn vị hàng đầu Việt Nam trong việc phân phối thiết bị thủy lực. Với 12 năm kinh nghiệm trong chế tạo, phân phối và hai cơ sở tại Hà Nội, chúng tôi tin rằng sẽ phục vụ tốt nhất nhu cầu của quý khách hàng về thiết bị thủy lực chính hãng với giá cả cạnh tranh trên thị trường.
Siêu thị thủy lực
Địa chỉ: Số 4 ngõ 110 Trần Duy Hưng, Trung Hòa, Cầu Giấy, Hà Nội
Điện thoại: 0977282045
Email: [email protected]
Từ khóa » Nguyên Lý Máy Chấn Tôn Thủy Lực
-
Cấu Tạo Và Nguyên Lý Hoạt động Của Máy Chấn Tôn
-
Máy Chấn Là Gì, Cấu Tạo Và Nguyên Lý Hoạt động Của Máy Chấn
-
Nguyên Lý Hoạt động Và Cấu Tạo Máy Chấn Durma - Thổ Nhĩ Kỳ
-
Giới Thiệu Sơ Lược Về Máy Chấn Tôn Thủy Lực? Nguyên Lý Hoạt động ...
-
Máy Chấn Tôn Thủy Lực Là Gì? Cấu Tạo Và Phân Loại
-
Nguyên Lý Hoạt động Của Máy Chấn Tôn Thủy Lực
-
Máy Chấn Tôn Thủy Lực Là Gì - Các đặc Trưng Cơ Bản
-
đồ án Tốt Nghiệp Máy Chấn Tôn Thủy Lực - Tài Liệu Text - 123doc
-
4 ĐIỀU Bạn Cần Biết Về Máy Chấn Tôn - Glorystar Laser Vn
-
Nguyên Lý Hoạt động Của Máy Chấn Tự động - Inox Đông Anh
-
Máy Chấn Tôn
-
Hướng Dẫn Tính Lực Chấn Cho Máy Chấn Tôn Thủy Lực